LEMON Manuals: Even more car manuals for everyone: 1960-2025
Home >> Dodge and Ram >> 2009 >> Durango Base, 4.7 P, 4WD >> Repair and Diagnosis >> Steering >> Steering Column >> Steering System >> Column >> COUPLING, Steering Column, Shaft >> Installation >> Installation
April 5, 2026: LEMON Manuals is launched! Read the announcement.

COUPLING, Steering Column, Shaft: Installation: Installation

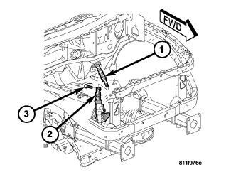
Fig 1: Steering Coupling Shaft Components
GC0104865Courtesy of CHRYSLER LLC
  1. Install the upper steering coupling shaft (3) to the vehicle.
    NOTE: A new steering coupling shaft pinch bolt for the upper and lower shafts must  be used.
  2. Install the upper coupling to the column.
  3. Install the upper pinch bolt (2) use a new bolt and tighten to 38 N.m (28 ft.lbs).
  4. Install the toe plate (5) nuts (4) and tighten to 12 N.m (105 in.lbs).
    Fig 2: Coupling Shaft & Pinch Bolt
    GC0104866Courtesy of CHRYSLER LLC
  5. Install the shaft (1) to the lower coupling (2).
  6. Install the mid point pinch bolt (3) use new bolt and tighten to 57 N.m (42 ft.lbs).
  7. Unlock the steering wheel.
  8. Reconnect the negative battery cable.