LEMON Manuals: Even more car manuals for everyone: 1960-2025
Home >> Dodge and Ram >> 2010 >> Nitro Detonator, 4WD >> Repair and Diagnosis >> External Pages >> Different car >> Section 59 ((Front Control Module (FCM) - Electrical Diagnostics)) >> DTC Troubleshooting >> B1D4F-Adjustable Pedal Inhibit Circuit Low >> Circuit Schematic
April 5, 2026: LEMON Manuals is launched! Read the announcement.

Circuit Schematic

WARNING: This page is about a different car, the 2009 Jeep Grand Cherokee. However, it is still accessible from the selected car via links, so may be relevant.
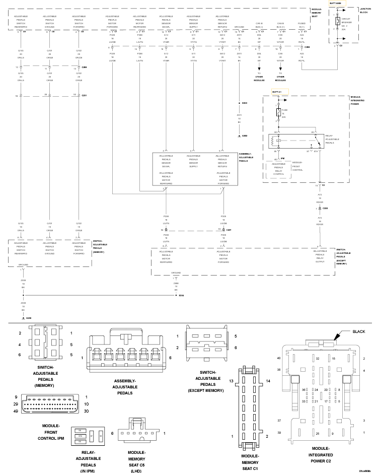
Fig 1: Adjustable Pedals Relay Control Circuit Schematic
GC0120127Courtesy of CHRYSLER LLC