LEMON Manuals: Even more car manuals for everyone: 1960-2025
Home >> Dodge and Ram >> 2010 >> Nitro Detonator, 4WD >> Repair and Diagnosis >> External Pages >> Different car >> Section 59 ((Front Control Module (FCM) - Electrical Diagnostics)) >> DTC Troubleshooting >> B211F-Ignition Run/Acc/Pad Control Circuit High >> Circuit Schematic
April 5, 2026: LEMON Manuals is launched! Read the announcement.

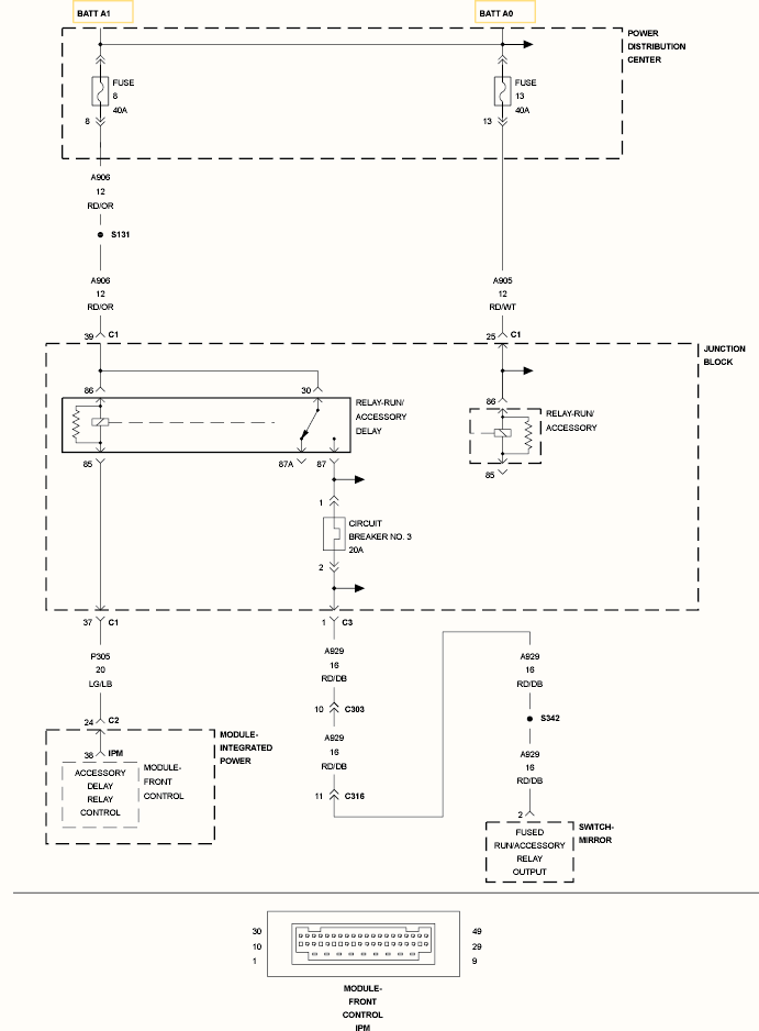
Circuit Schematic

WARNING: This page is about a different car, the 2009 Jeep Grand Cherokee. However, it is still accessible from the selected car via links, so may be relevant.
Fig 1: Accessory Delay Relay Control Circuit Schematic
GC0120148Courtesy of CHRYSLER LLC