LEMON Manuals: Even more car manuals for everyone: 1960-2025
Home >> Dodge and Ram >> 2011 >> Durango Express, AWD >> Repair and Diagnosis >> External Pages >> Different car >> Section 232 (Electronic Control Modules (Service Information)) >> MODULE, Front Control >> Description >> Description
April 5, 2026: LEMON Manuals is launched! Read the announcement.

MODULE, Front Control: Description: Description

WARNING: This page is about a different car, the 2011 RAM Dakota. However, it is still accessible from the selected car via links, so may be relevant.
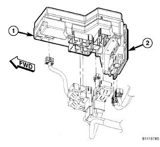
Fig 1: Identifying Power Distribution Center & Front Control Module
GC0112375Courtesy of CHRYSLER LLC

The Front Control Module (FCM) (2) is a micro controller based module located in the left front corner of the engine compartment. The FCM mates to the Power Distribution Center (PDC) (1) to form the Integrated Power Module (IPM). The IPM connects directly to the battery and provides the primary means of circuit protection and power distribution for all vehicle electrical systems. The front control module controls power to some of these vehicle systems electrical and electromechanical loads based on inputs received from hard wired switch inputs and data received on the Controller Area Network (CAN) bus circuit.