LEMON Manuals: Even more car manuals for everyone: 1960-2025
Home >> Dodge and Ram >> 2011 >> Durango Express, AWD >> Repair and Diagnosis >> External Pages >> Different car >> Section 43 ((Transmission Control Module (TCM) - Electrical Diagnostics)) >> DTC Troubleshooting >> P0604-Internal Control Module Ram >> Circuit Schematic
April 5, 2026: LEMON Manuals is launched! Read the announcement.

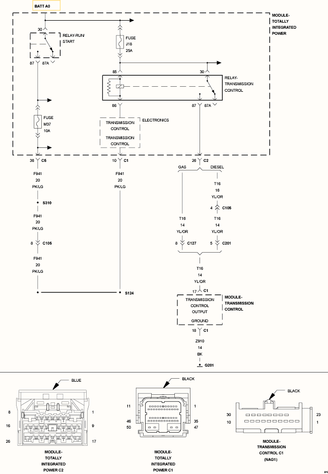
Circuit Schematic

WARNING: This page is about a different car, the 2009 Jeep Liberty. However, it is still accessible from the selected car via links, so may be relevant.
Fig 1: Transmission Control Module Power Supply Circuit Schematic
GC0102166Courtesy of CHRYSLER LLC