LEMON Manuals: Even more car manuals for everyone: 1960-2025
Home >> Dodge and Ram >> 2011 >> Durango R/T, AWD >> Repair and Diagnosis >> External Pages >> Different car >> Section 237 ((Front Control Module (FCM) - Electrical Diagnostics)) >> Diagnosis and Testing >> B211E-Ignition Run/Acc/Pad Control Circuit Low >> Notes
April 5, 2026: LEMON Manuals is launched! Read the announcement.

B211E-Ignition Run/Acc/Pad Control Circuit Low: Notes

WARNING: This page is about a different car, the 2011 RAM Dakota. However, it is still accessible from the selected car via links, so may be relevant.
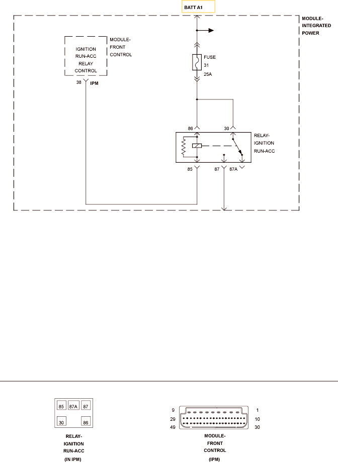
Fig 1: Ignition RUN/ACC Relay Control Wiring Diagram
GC0113557Courtesy of CHRYSLER LLC

For a complete wiring diagram, refer to appropriate SYSTEM WIRING DIAGRAMS article  .