LEMON Manuals: Even more car manuals for everyone: 1960-2025
Home >> Dodge and Ram >> 2012 >> Avenger SXT Plus >> Repair and Diagnosis >> Transmission >> Automatic Trans >> Engine Cooling System >> Operation >> Gas Engine >> Notes
April 5, 2026: LEMON Manuals is launched! Read the announcement.

Gas Engine: Notes

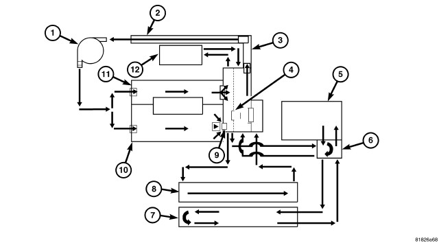
Fig 1: Cooling System Flow
GC0120852Courtesy of CHRYSLER GROUP, LLC