LEMON Manuals: Even more car manuals for everyone: 1960-2025
Home >> Dodge and Ram >> 2012 >> C/V >> Repair and Diagnosis (Single Page) >> Accessories & Equipment >> Anti-Theft Systems >> Wireless Ignition Node (Win) - Electrical Diagnostics >> DTC Troubleshooting >> B1A68-Steering Column Lock Module Bolt Control Low >> Notes
April 5, 2026: LEMON Manuals is launched! Read the announcement.

B1A68-Steering Column Lock Module Bolt Control Low: Notes

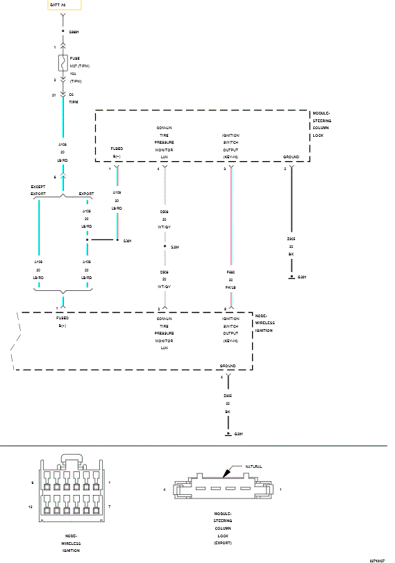
Fig 1: Steering Column Lock Module Circuit Wiring Diagram
GC0127733Courtesy of CHRYSLER GROUP, LLC

For a complete wiring diagram, refer to appropriate SYSTEM WIRING DIAGRAMS article  .