LEMON Manuals: Even more car manuals for everyone: 1960-2025
Home >> Dodge and Ram >> 2012 >> C/V >> Repair and Diagnosis (Single Page) >> Accessories & Equipment >> Communication Devices >> Communication - Non-DTC Based Diagnostics >> Diagnosis And Testing >> No Response From PEM (Passive Entry Module) >> Notes
April 5, 2026: LEMON Manuals is launched! Read the announcement.

No Response From PEM (Passive Entry Module): Notes

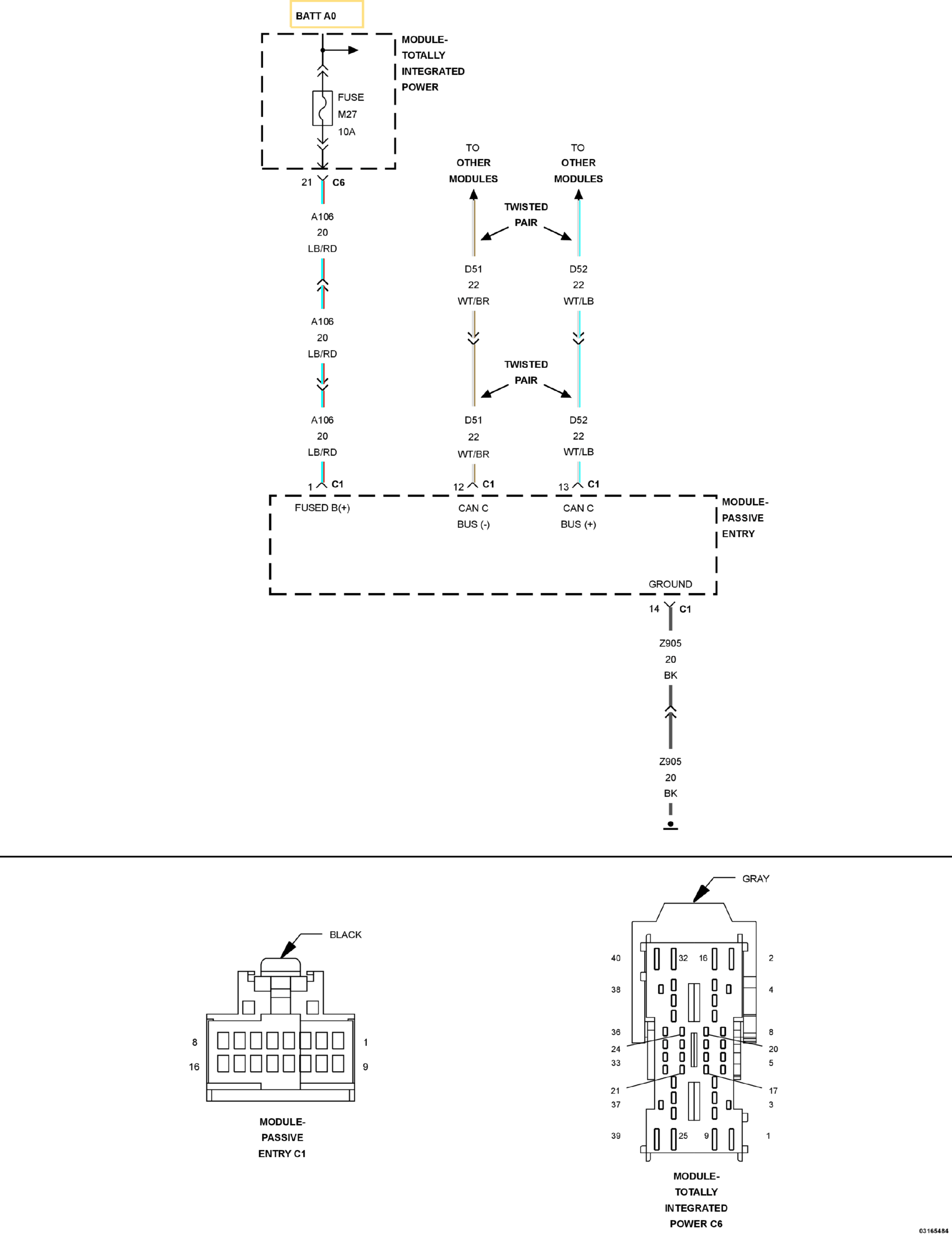
Fig 1: Passive Entry Module (PEM) Wiring Diagram
GC0150727Courtesy of CHRYSLER GROUP, LLC

For a complete wiring diagram, refer to appropriate SYSTEM WIRING DIAGRAMS article  .

NOTE:

The Keyless Go Security Module feature is a function of the Passive Entry Module (PEM). The diagnostic procedures for the Keyless Go Security Module are performed on the PEM.