LEMON Manuals: Even more car manuals for everyone: 1960-2025
Home >> Dodge and Ram >> 2012 >> C/V >> Repair and Diagnosis (Single Page) >> Body & Frame >> Seats >> Memory Seat Module (MSMD) - Electrical Diagnostics >> DTC Troubleshooting >> B1D6B-12-Seat Horizontal Position Sensor - Circuit Short To Battery >> Notes
April 5, 2026: LEMON Manuals is launched! Read the announcement.

B1D6B-12-Seat Horizontal Position Sensor - Circuit Short To Battery: Notes

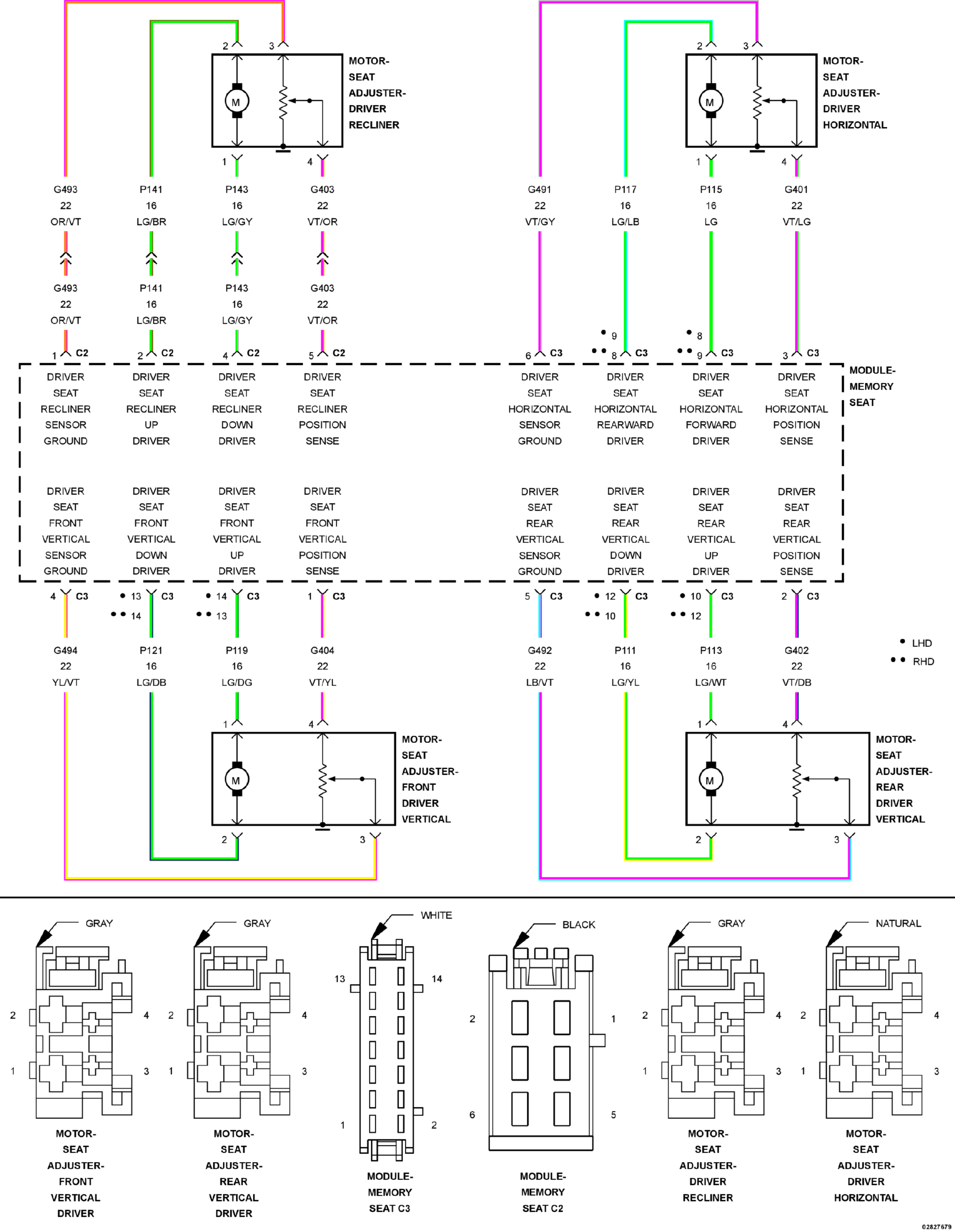
Fig 1: Seat Motor Wiring Diagram
GC0151171Courtesy of CHRYSLER GROUP, LLC

For a complete wiring diagram, refer to appropriate SYSTEM WIRING DIAGRAMS article  .