LEMON Manuals: Even more car manuals for everyone: 1960-2025
Home >> Dodge and Ram >> 2012 >> Caliber L4-2.4L >> Repair and Diagnosis >> Powertrain Management >> Computers and Control Systems >> Coolant Temperature Sensor/Switch (For Computer) >> Testing and Inspection >> Checking The Engine Coolant Temperature Sensor Operation
April 5, 2026: LEMON Manuals is launched! Read the announcement.

Checking The Engine Coolant Temperature Sensor Operation






CHECKING THE ENGINE COOLANT TEMPERATURE SENSOR OPERATION

Special Tools:










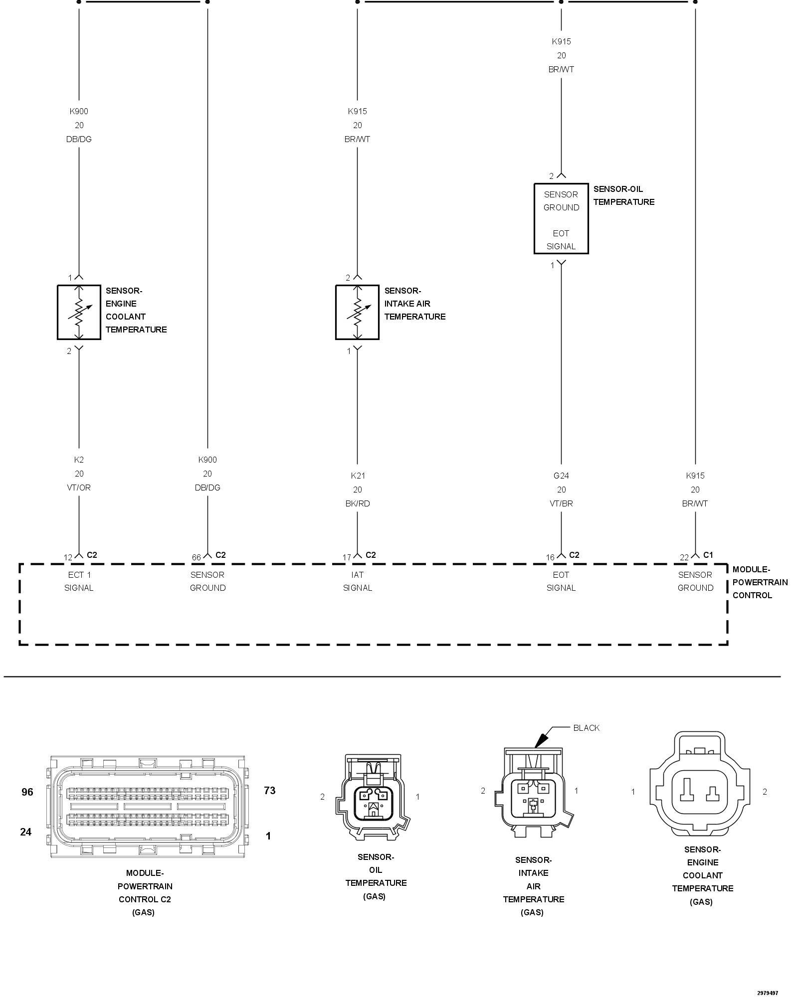
For a complete wiring diagram, refer to the Wiring Information.

1. ENGINE COOLANT TEMPERATURE SENSOR WIRING OR CONNECTORS

NOTE: Diagnose and repair any ECT circuit DTCs before proceeding with this test.

NOTE: Allow the engine to cool to ambient temperature before proceeding.

1. Using the wiring diagram/schematic as a guide, inspect the wiring and connectors between the Engine Coolant Temperature sensor(s) and the PCM.
2. Look for any chafed, pierced, pinched, or partially broken wires.
3. Look for broken, bent, pushed out or corroded terminals.
4. Turn the ignition on.
5. Monitor the scan tool data relative to the sensor(s) and wiggle test the wiring and connectors.
6. Look for the data to change or for a DTC to set during the wiggle test.

Were any problems found?

Yes

- Repair as necessary.
- Perform the POWERTRAIN VERIFICATION TEST. Powertrain Verification Test.

No

- Go To 2

2. ENGINE COOLANT LEVEL AND CONDITION

WARNING: Make sure the engine cooling system is cool before removing the pressure cap or any hose. The cooling system is pressurized when hot. Failure to follow these instructions can result in possible serious or fatal injury.

1. Check the engine coolant level and the condition of the engine coolant. Refer to the appropriate Service Information.

Were any problems found?

Yes

- Repair as necessary.
- Perform the POWERTRAIN VERIFICATION TEST. Powertrain Verification Test.

No

- Go To 3

3. THERMOSTAT

WARNING: Make sure the engine cooling system is cool before removing the pressure cap or any hose. The cooling system is pressurized when hot. Failure to follow these instructions can result in possible serious or fatal injury.

1. Using the appropriate service information, determine the proper opening temperature of the thermostat.
2. With the scan tool, read the Engine Coolant Temperature Sensor value for each sensor. If the engine was allowed to cool completely, the value should be approximately equal to the ambient temperature.
3. Monitor the sensor values on the scan tool.
4. Start the engine.

WARNING: When the engine is operating, do not stand in direct line with the fan. Do not put your hands near the pulleys, belts or fan. Do not wear loose clothing. Failure to follow these instructions may result in possible serious or fatal injury.

NOTE: Each thermostat should open at the temperature specified in the Service Information.

Were any problems found?

Yes

- Repair as necessary.
- Perform the POWERTRAIN VERIFICATION TEST. Powertrain Verification Test.

No

- Go To 4

4. ENGINE COOLANT TEMPERATURE SENSOR

NOTE: Allow the engine to cool to ambient temperature before proceeding.

WARNING: Make sure the engine cooling system is cool before removing the pressure cap or any hose. The cooling system is pressurized when hot. Failure to follow these instructions can result in possible serious or fatal injury.

1. With the scan tool, read the Engine Coolant Temperature Sensor value for each sensor. If the engine was allowed to cool completely, the value should be approximately equal to the ambient temperature.
2. Monitor each sensor value on the scan tool and the actual coolant temperature with a thermometer.
3. Start the engine.

WARNING: When the engine is operating, do not stand in direct line with the fan. Do not put your hands near the pulleys, belts or fan. Do not wear loose clothing. Failure to follow these instructions may result in possible serious or fatal injury.

NOTE: The sensor value transition should be smooth as the engine reaches operating temperature. The thermometer reading and the coolant temperature values on the scan tool should remain relatively close.

Were any problems found?

Yes

- Go To 5

No

- Test complete.

5. ECT SIGNAL CIRCUIT HIGH RESISTANCE

NOTE: Perform this procedure for the sensor where erratic sensor values were detected in the previous test step.

1. Turn the ignition off.

CAUTION: Do not probe the PCM harness connectors. Probing the PCM harness connectors will damage the PCM terminals resulting in poor terminal to pin connection. Install the PCM Pinout Box along with the Adapter to perform the diagnosis.

2. Using a voltmeter, perform a voltage drop test by backprobing the ECT Signal circuit at the Engine Coolant Temperature Sensor harness connector and by probing the appropriate terminal of the PCM Pinout Box. Make sure the voltmeter leads are connected so that positive polarity is displayed on the voltmeter.

WARNING: When the engine is operating, do not stand in direct line with the fan. Do not put your hands near the pulleys, belts or fan. Do not wear loose clothing. Failure to follow these instructions may result in possible serious or fatal injury.

3. Start the engine.

Is the voltage below 0.5 of a volt?

Yes

- Go To 6

No

- Repair the ECT Signal circuit for excessive resistance.
- Perform the POWERTRAIN VERIFICATION TEST. Powertrain Verification Test.

6. SENSOR GROUND CIRCUIT HIGH RESISTANCE
1. Turn the ignition off.

CAUTION: Do not probe the PCM harness connectors. Probing the PCM harness connectors will damage the PCM terminals resulting in poor terminal to pin connection. Install the PCM Pinout Box along with the Adapter to perform the diagnosis.

2. Using a voltmeter, perform a voltage drop test by backprobing the Sensor Ground circuit at the Engine Coolant Temperature Sensor harness connector and by probing the appropriate terminal of the PCM Pinout Box. Make sure the voltmeter leads are connected so that positive polarity is displayed on the voltmeter.

WARNING: When the engine is operating, do not stand in direct line with the fan. Do not put your hands near the pulleys, belts or fan. Do not wear loose clothing. Failure to follow these instructions may result in possible serious or fatal injury.

3. Start the engine.

Is the voltage below 0.5 volts?

Yes

- Go To 7

No

- Repair the Sensor Ground circuit for excessive resistance.
- Perform the POWERTRAIN VERIFICATION TEST. Powertrain Verification Test.

7. ENGINE COOLANT TEMPERATURE SENSOR
1. Using the wiring diagram/schematic as a guide, inspect the wiring and connectors between the Engine Coolant Temperature Sensor and the Powertrain Control Module (PCM).
2. Look for any chafed, pierced, pinched, or partially broken wires.
3. Look for broken, bent, pushed out or corroded terminals.
4. Perform any Technical Service Bulletins that may apply.

Were any problems found?

Yes

- Repair as necessary.
- Perform the POWERTRAIN VERIFICATION TEST. Powertrain Verification Test.

No

- Replace the Engine Coolant Temperature Sensor.
- Perform the POWERTRAIN VERIFICATION TEST. Powertrain Verification Test.