LEMON Manuals: Even more car manuals for everyone: 1960-2025
Home >> Dodge and Ram >> 2012 >> Caliber SXT Plus, Standard Trans >> Repair and Diagnosis (Single Page) >> Accessories & Equipment >> Communication Devices >> Communication - Non-DTC Based Diagnostics >> Diagnosis And Testing >> No Response From HFM (Hands Free Module) >> Notes
April 5, 2026: LEMON Manuals is launched! Read the announcement.

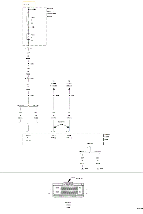
No Response From HFM (Hands Free Module): Notes

Fig 1: Hands Free Module Wiring Diagram
GC0100533Courtesy of CHRYSLER GROUP, LLC

For a complete wiring diagram, refer to appropriate SYSTEM WIRING DIAGRAMS article  .