LEMON Manuals: Even more car manuals for everyone: 1960-2025
Home >> Dodge and Ram >> 2012 >> Caliber SXT Plus, Standard Trans >> Repair and Diagnosis >> Engine Performance >> System >> DRIVEABILITY - Gas - Non-DTC Based Diagnostics >> Diagnosis And Testing >> Checking The Engine Coolant Temperature Sensor Performance >> Notes
April 5, 2026: LEMON Manuals is launched! Read the announcement.

Checking The Engine Coolant Temperature Sensor Performance: Notes

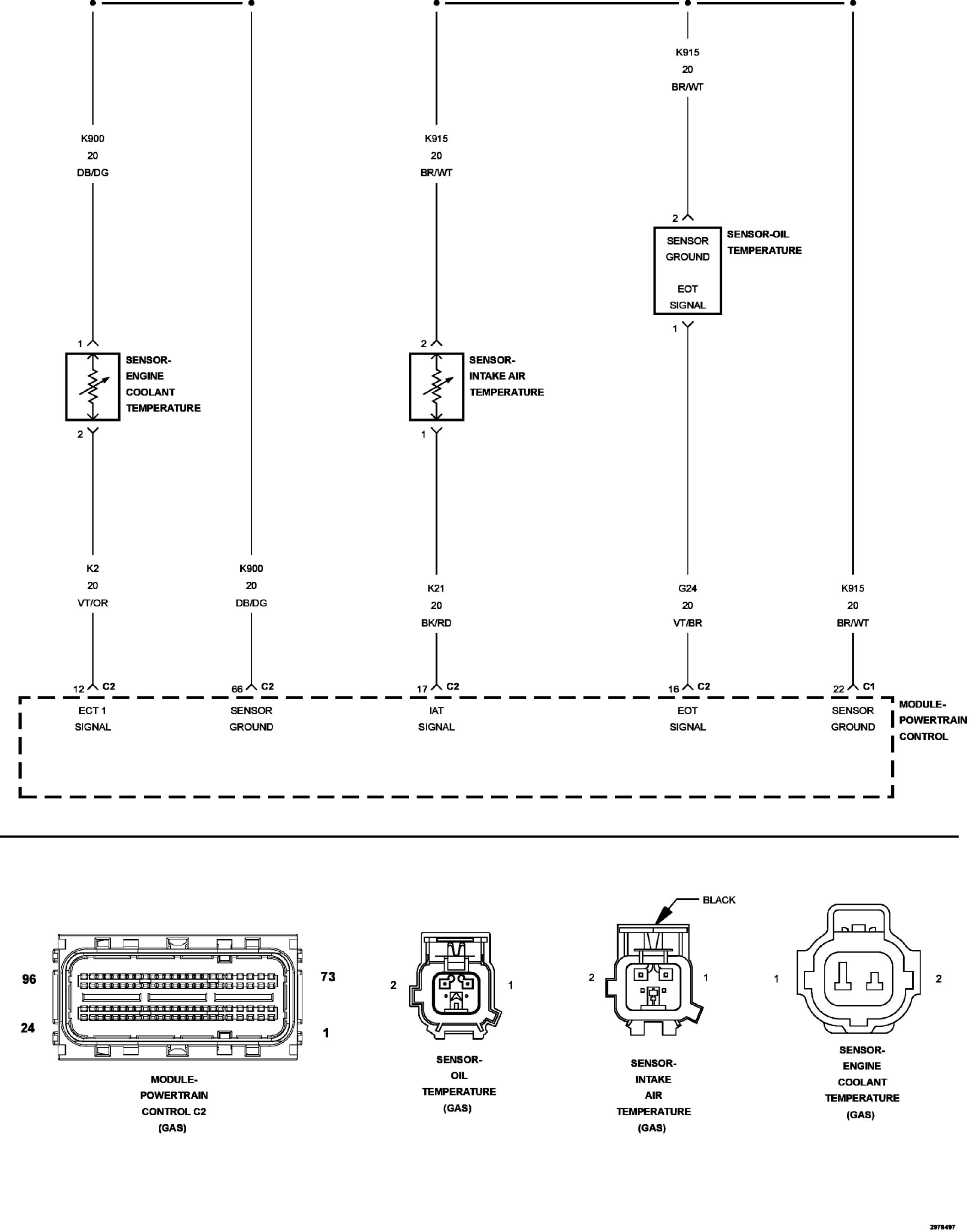
Fig 1: Temperature Sensor Wiring Diagram
GC0149247Courtesy of CHRYSLER GROUP, LLC

For a complete wiring diagram, refer to appropriate SYSTEM WIRING DIAGRAMS article  .