LEMON Manuals: Even more car manuals for everyone: 1960-2025
Home >> Dodge and Ram >> 2012 >> Caliber SXT Plus, Standard Trans >> Repair and Diagnosis >> Restraints >> Restraints Control Systems >> Restraints System (Service Information) >> Air Bag, Driver >> Installation >> Installation
April 5, 2026: LEMON Manuals is launched! Read the announcement.

Air Bag, Driver: Installation: Installation

WARNING:

To avoid serious or fatal injury on vehicles equipped with airbags, disable the Supplemental Restraint System (SRS) before attempting any steering wheel, steering column, airbag, seat belt tensioner, impact sensor or instrument panel component diagnosis or service. Disconnect and isolate the battery negative (ground) cable, then wait two minutes for the system capacitor to discharge before performing further diagnosis or service. This is the only sure way to disable the SRS. Failure to take the proper precautions could result in accidental airbag deployment.

WARNING:

To avoid serious or fatal injury, use extreme care to prevent any foreign material from entering the Driver AirBag (DAB), or becoming entrapped between the DAB cushion and the DAB trim cover. Failure to observe this warning could result in occupant injuries upon airbag deployment.

WARNING:

To avoid serious or fatal injury, the driver airbag trim cover must never be painted. Replacement airbags are serviced with trim covers in the original colors. Paint may change the way in which the material of the trim cover responds to an airbag deployment. Failure to observe this warning could result in occupant injuries upon airbag deployment.

NOTE:

The following procedure is for replacement of an ineffective or damaged driver airbag. If the airbag is ineffective or damaged, but not deployed, review the recommended procedures for Handling Non-Deployed Supplemental Restraints. Refer to STANDARD PROCEDURE . If the driver airbag has been deployed, review the recommended procedures for Service After A Supplemental Restraint Deployment before removing the airbag from the vehicle. .

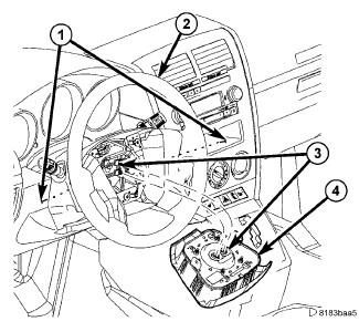
Fig 1: Air Bag Removal
GC0102611Courtesy of CHRYSLER GROUP, LLC
  1. Position the driver airbag (4) close enough to the steering wheel (2) to reconnect the electrical connections (3) on the back of the airbag housing.
  2. When installing the driver airbag, reconnect the two clockspring driver airbag pigtail wire connectors to the airbag inflator connector receptacles by pressing straight in on the connectors, then pushing the locks straight into the connectors. Be certain to engage each keyed and color-coded connector to the matching connector receptacle.
  3. Carefully position the driver airbag in the steering wheel. Be certain that the clockspring pigtail wires are not pinched between the driver airbag and the horn switch or the steering wheel armature.
  4. From the side of the steering wheel hub trim cover, install and tighten the two screws (1) that secure the driver airbag to the horn switch. Tighten the screws to 13 N.m (115 in. lbs.).
  5. Do not reconnect the battery negative cable at this time. The Supplemental Restraint System (SRS) Verification Test procedure should be performed following service of any SRS component. Refer to STANDARD PROCEDURE .