LEMON Manuals: Even more car manuals for everyone: 1960-2025
Home >> Dodge and Ram >> 2012 >> Caliber SXT >> Repair and Diagnosis (Single Page) >> Accessories & Equipment >> Communication Devices >> Communication - Non-DTC Based Diagnostics >> Diagnosis And Testing >> No Response From WCM (Sentry Key Remote Entry Module) >> Notes
April 5, 2026: LEMON Manuals is launched! Read the announcement.

No Response From WCM (Sentry Key Remote Entry Module): Notes

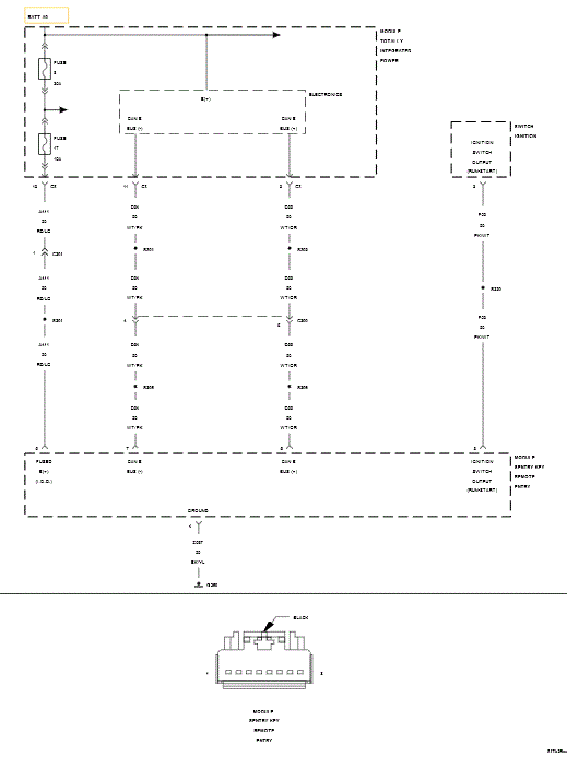
Fig 1: Sentry Key Remote Entry Module Wiring Diagram
GC0100564Courtesy of CHRYSLER GROUP, LLC

For a complete wiring diagram, refer to appropriate SYSTEM WIRING DIAGRAMS article  .