LEMON Manuals: Even more car manuals for everyone: 1960-2025
Home >> Dodge and Ram >> 2012 >> Caliber SXT >> Repair and Diagnosis (Single Page) >> Accessories & Equipment >> Communication Devices >> Totally Integrated Power Module (TIPM) - DTCS B106B TP B231C >> Diagnosis And Testing >> B1669-Reverse Lamp Control Circuit Open >> Notes
April 5, 2026: LEMON Manuals is launched! Read the announcement.

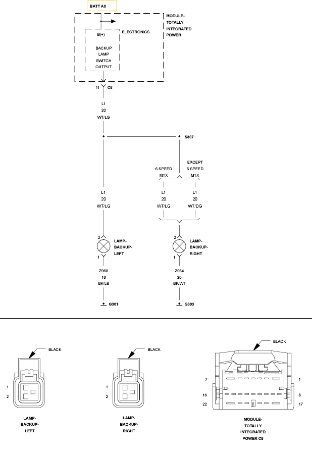
B1669-Reverse Lamp Control Circuit Open: Notes

Fig 1: Reverse Lamp Control Wiring Diagram
GC0100161Courtesy of CHRYSLER GROUP, LLC

For a complete wiring diagram, refer to appropriate SYSTEM WIRING DIAGRAMS article  .