LEMON Manuals: Even more car manuals for everyone: 1960-2025
Home >> Dodge and Ram >> 2012 >> Caliber SXT >> Repair and Diagnosis (Single Page) >> Restraints >> Restraints Control Systems >> Occupant Restraint Controller (Orc) - DTCS B1B94 To U1415 >> Diagnosis And Testing >> B212C-Ignition Run/Start Input Circuit Open >> Notes
April 5, 2026: LEMON Manuals is launched! Read the announcement.

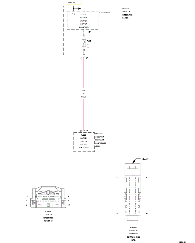
B212C-Ignition Run/Start Input Circuit Open: Notes

Fig 1: Ignition Run/Start Input Wiring Diagram
GC0138226Courtesy of CHRYSLER GROUP, LLC

For a complete wiring diagram, refer to appropriate SYSTEM WIRING DIAGRAMS article  .