LEMON Manuals: Even more car manuals for everyone: 1960-2025
Home >> Dodge and Ram >> 2012 >> Challenger SXT Plus >> Repair and Diagnosis >> External Pages >> Different car >> Section 50 (Transmission Control Module (TCM) - Electrical Diagnostics) >> DTC Troubleshooting >> P0613-Internal Transmission Processor >> Notes
April 5, 2026: LEMON Manuals is launched! Read the announcement.

P0613-Internal Transmission Processor: Notes

WARNING: This page is about a different car, the 2012 Jeep Wrangler. However, it is still accessible from the selected car via links, so may be relevant.
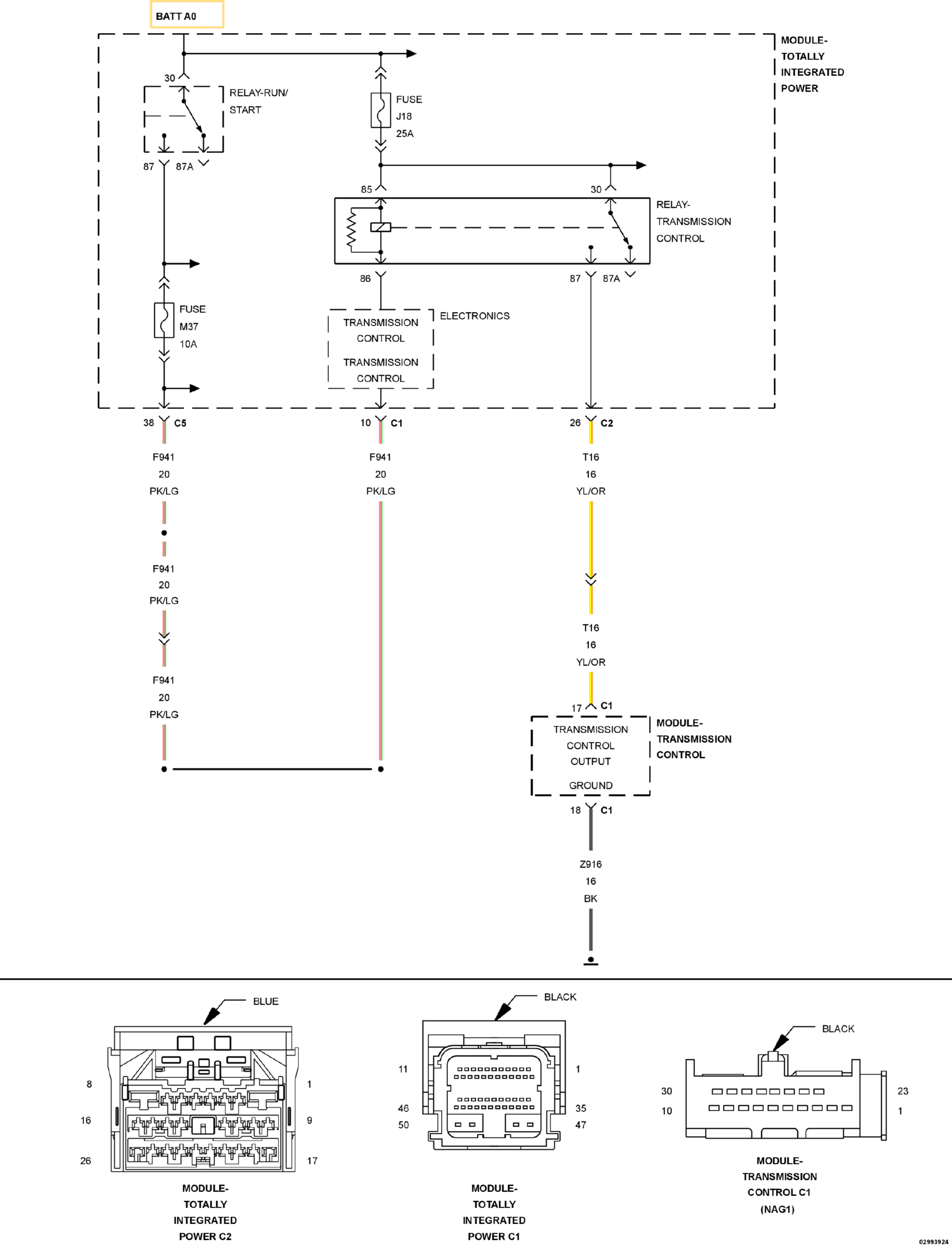
Fig 1: Transmission Control Module Circuit Wiring Diagram
GC0149328Courtesy of CHRYSLER GROUP, LLC

For a complete wiring diagram, refer to appropriate SYSTEM WIRING DIAGRAMS article  .