LEMON Manuals: Even more car manuals for everyone: 1960-2025
Home >> Dodge and Ram >> 2012 >> Durango SXT, AWD >> Repair and Diagnosis (Single Page) >> Engine Performance >> System >> DRIVEABILITY - Gas - Non-DTC Based Diagnostics >> Diagnosis And Testing >> Checking The Fuel Delivery System >> Notes
April 5, 2026: LEMON Manuals is launched! Read the announcement.

Checking The Fuel Delivery System: Notes

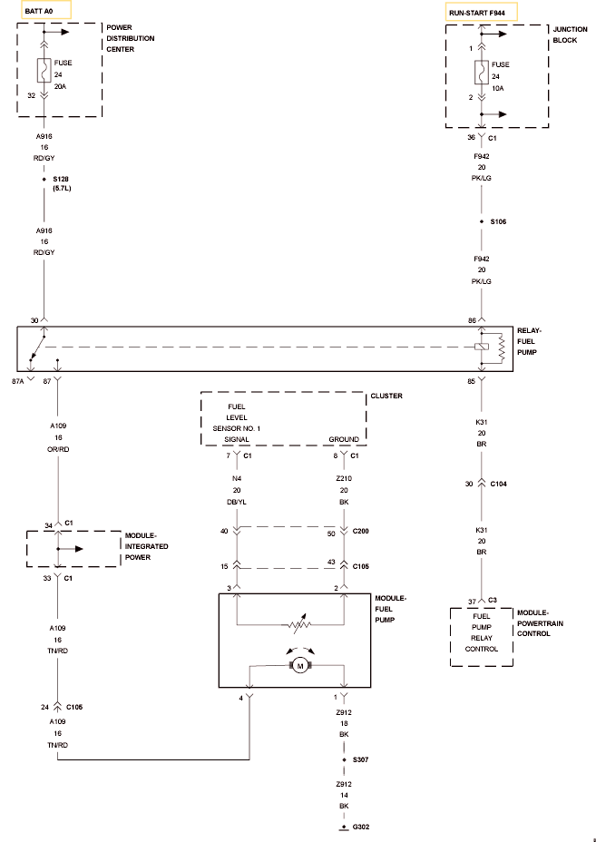
Fig 1: Fuel Delivery System Circuit Schematic
GC0120723Courtesy of CHRYSLER GROUP, LLC

For a complete wiring diagram, refer to appropriate SYSTEM WIRING DIAGRAMS article  .