LEMON Manuals: Even more car manuals for everyone: 1960-2025
Home >> Dodge and Ram >> 2012 >> Durango SXT, AWD >> Repair and Diagnosis (Single Page) >> Restraints >> Restraints Control Systems >> Occupant Restraint Controller (Orc) - DTCS B1C2D To U142A >> Diagnosis And Testing >> B1C14-Driver Active Headrest Control Circuit Open >> Notes
April 5, 2026: LEMON Manuals is launched! Read the announcement.

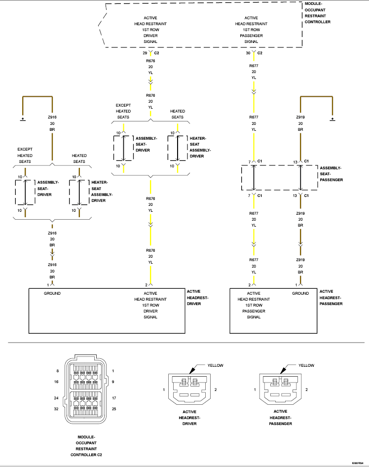
B1C14-Driver Active Headrest Control Circuit Open: Notes

Fig 1: Driver/Passenger Active Headrest Control Circuit Wiring Diagram
GC0149058Courtesy of CHRYSLER GROUP, LLC

For a complete wiring diagram, refer to appropriate SYSTEM WIRING DIAGRAMS article  .