LEMON Manuals: Even more car manuals for everyone: 1960-2025
Home >> Dodge and Ram >> 2013 >> Challenger SXT Plus >> Repair and Diagnosis >> External Pages >> Different car >> Section 1213 (Module Communications Network) >> Diagnosis And Testing >> Communications Network >> Pinpoint Test C: The IPC Does Not Respond To The Scan Tool >> Pinpoint Test U: The Smart Junction Box (SJB) Does Not Respond To The Scan Tool >> Pinpoint Test U: The SJB Does Not Respond To The Scan Tool
April 5, 2026: LEMON Manuals is launched! Read the announcement.

Pinpoint Test U: The SJB Does Not Respond To The Scan Tool

WARNING: This page is about a different car, the 2010 Mercury Milan, 2010 Lincoln MKZ, and 2010 Ford Fusion. However, it is still accessible from the selected car via links, so may be relevant.
NOTE: Use the correct probe adapter(s) when making measurements. Failure to use the correct probe adapter(s) may damage the connector.
NOTE: Failure to disconnect the battery when instructed will result in false resistance readings. Refer to BATTERY, MOUNTING AND CABLES .
  1. U1 CHECK THE SJB VOLTAGE SUPPLY CIRCUIT FOR AN OPEN 
    • Ignition ON.
      NOTE: Measurements are taken with the fuses installed.
    • Measure the voltage between the SJB  fuse 5 (10A) and ground.
      Fig 1: Measuring Voltage Between Back Of SJB Fuse 5 (10A) Terminals And Ground
      G06259009Courtesy of FORD MOTOR CO.
    • Is the voltage greater than 10 volts? 
    • Yes  : GO to  U2.
    • No  : VERIFY the SJB  fuse 5 (10A) is OK. If OK, REPAIR the circuit. CLEAR the DTCs. REPEAT the network test with the scan tool. If not OK, REFER to the appropriate SYSTEM WIRING DIAGRAMS article to identify the possible causes of the circuit short.
  2. U2 CHECK THE SJB GROUND CIRCUIT FOR AN OPEN 
    • Ignition OFF.
    • Disconnect: Negative Battery Cable.
    • Disconnect: SJB  C2280d.
    • Measure the resistance between the SJB  C2280d-8, circuit GD126 (BK/WH), harness side and ground; and between the SJB  C2280d-12, circuit GD126 (BK/WH), harness side and ground.
      Fig 2: Checking SJB Ground Circuit For An Open
      G06259010Courtesy of FORD MOTOR CO.
    • Are the resistances less than 5 ohms? 
    • Yes  : GO to  U3.
    • No  : REPAIR the circuit in question. CONNECT the negative battery cable. CLEAR the DTCs. REPEAT the network test with the scan tool.
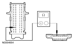
  3. U3 CHECK THE MS-CAN CIRCUITS BETWEEN THE SJB AND THE DLC FOR AN OPEN 
    • Disconnect: SJB  C2280b.
    • Measure the resistance between the SJB  C2280b-37, circuit VDB06 (GY/OG), harness side and the DLC  C251-3, circuit VDB06 (GY/OG), harness side.
      Fig 3: Checking MS-CAN Circuits Between SJB And DLC For An Open (1 Of 2)
      G06259011Courtesy of FORD MOTOR CO.
    • Measure the resistance between the SJB  C2280b-38, circuit VDB07 (VT/OG), harness side and the DLC  C251-11, circuit VDB07 (VT/OG), harness side.
      Fig 4: Checking MS-CAN Circuits Between SJB And DLC For An Open (2 Of 2)
      G06259012Courtesy of FORD MOTOR CO.
    • Are the resistances less than 5 ohms? 
    • Yes  : CONNECT the negative battery cable. GO to  U4.
    • No  : REPAIR the circuit in question. CONNECT the negative battery cable. CLEAR the DTCs. REPEAT the network test with the scan tool.
  4. U4 CHECK FOR CORRECT SJB OPERATION