LEMON Manuals: Even more car manuals for everyone: 1960-2025
Home >> Dodge and Ram >> 2013 >> Challenger SXT Plus >> Repair and Diagnosis >> External Pages >> Different car >> Section 1213 (Module Communications Network) >> Diagnosis And Testing >> Communications Network >> Pinpoint Test C: The IPC Does Not Respond To The Scan Tool >> Pinpoint Test W: The Audio Digital Signal Processing (DSP) Module Does Not Respond To The Scan Tool >> Pinpoint Test W: The Audio DSP Module Does Not Respond To The Scan Tool
April 5, 2026: LEMON Manuals is launched! Read the announcement.

Pinpoint Test W: The Audio DSP Module Does Not Respond To The Scan Tool

WARNING: This page is about a different car, the 2010 Mercury Milan, 2010 Lincoln MKZ, and 2010 Ford Fusion. However, it is still accessible from the selected car via links, so may be relevant.
NOTE: Use the correct probe adapter(s) when making measurements. Failure to use the correct probe adapter(s) may damage the connector.
NOTE: Failure to disconnect the battery when instructed will result in false resistance readings. Refer to BATTERY, MOUNTING AND CABLES .
  1. W1 CHECK THE AUDIO DSP MODULE VOLTAGE SUPPLY CIRCUITS FOR AN OPEN 
    • Ignition OFF.
    • Disconnect: Audio DSP  Module C4235a (THX®) or C4240a (Sony®).
    • Ignition ON.
    • For THX® sound, measure the voltage between the audio DSP  module, harness side and ground as follows:
      VOLTAGE REFERENCE TABLE

      Connector-Pin Circuit
      C4235a-9 SBB20 (GN/RD)
      C4235a-10 SBB20 (GN/RD)
      C4235a-11 SBB21 (GY/RD)
      C4235a-12 SBB21 (GY/RD)
      Fig 1: Checking Audio DSP Module Voltage Supply Circuits For An Open (1 Of 2)
      G06259017Courtesy of FORD MOTOR CO.
    • For Sony® sound, measure the voltage between the audio DSP  module, harness side and ground as follows:
      VOLTAGE REFERENCE TABLE

      Connector-Pin Circuit
      C4240a-5 SBP19 (BU/RD)
      C4240a-6 SBP19 (BU/RD)
      Fig 2: Checking Audio DSP Module Voltage Supply Circuits For An Open (2 Of 2)
      G06259018Courtesy of FORD MOTOR CO.
    • Are the voltages greater than 10 volts? 
    • Yes  : GO to  W2.
    • No  : VERIFY the Battery Junction Box (BJB) fuse 19 (25A), 20 (20A) or 21 (20A) is OK. If OK, REPAIR the circuit in question. If not OK, REFER to the appropriate SYSTEM WIRING DIAGRAMS article to identify the possible causes of the short circuit. CLEAR the DTCs. REPEAT the network test with the scan tool.
  2. W2 CHECK THE AUDIO DSP MODULE GROUND CIRCUITS FOR AN OPEN 
    • Ignition OFF.
    • Disconnect: Negative Battery Cable.
    • For THX® sound, measure the resistance between the audio DSP module, harness side and ground as follows:
      RESISTANCE REFERENCE TABLE

      Connector-Pin Circuit
      C4235a-22 GD148 (BK/YE)
      C4235a-23 GD148 (BK/YE)
      C4235a-24 GD148 (BK/YE)
      Fig 3: Checking Audio DSP Module Ground Circuits For An Open (1 Of 2)
      G06259019Courtesy of FORD MOTOR CO.
    • For Sony® sound, measure the resistance between the audio DSP module, harness side and ground as follows:
      RESISTANCE REFERENCE TABLE

      Connector-Pin Circuit
      C4240a-13 GD148 (BK/YE)
      C4240a-14 GD148 (BK/YE)
      Fig 4: Checking Audio DSP Module Ground Circuits For An Open (2 Of 2)
      G06259020Courtesy of FORD MOTOR CO.
    • Are the resistances less than 5 ohms? 
    • Yes  : GO to  W3.
    • No  : REPAIR the circuit. CONNECT the negative battery cable. CLEAR the DTCs. REPEAT the network test with the scan tool.
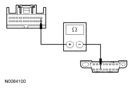
  3. W3 CHECK THE MS-CAN CIRCUITS BETWEEN THE AUDIO DSP MODULE AND THE DLC FOR AN OPEN 
    • Disconnect: Audio DSP  Module C4235c (THX®) or C4240c (Sony®).
    • Measure the resistance between the audio DSP  module C4235c-11 or C4240c-11, circuit VDB06 (GY/OG), harness side and the DLC C251-3, circuit VDB06 (GY/OG), harness side.
      Fig 5: Checking MS-CAN Circuits Between Audio DSP Module And DLC For An Open (1 Of 2)
      G06259021Courtesy of FORD MOTOR CO.
    • Measure the resistance between the audio DSP  module C4235c-1 or C4240c-1, circuit VDB07 (VT/OG), harness side and the DLC  C251-11, circuit VDB07 (VT/OG), harness side.
      Fig 6: Checking MS-CAN Circuits Between Audio DSP Module And DLC For An Open (2 Of 2)
      G06259022Courtesy of FORD MOTOR CO.
    • Are the resistances less than 5 ohms? 
    • Yes  : CONNECT the negative battery cable. GO to  W4.
    • No  : REPAIR the circuit in question. CONNECT the negative battery cable. CLEAR the DTCs. REPEAT the network test with the scan tool.
  4. W4 CHECK FOR CORRECT AUDIO DSP MODULE OPERATION