LEMON Manuals: Even more car manuals for everyone: 1960-2025
Home >> Dodge and Ram >> 2013 >> Challenger SXT Plus >> Repair and Diagnosis >> External Pages >> Different car >> Section 1530 (Module Communications Network) >> Diagnosis And Testing >> Communications Network >> Pinpoint Tests >> Pinpoint Test C: The Instrument Panel Cluster (IPC) Does Not Respond To The Scan Tool >> Pinpoint Test C: The IPC Does Not Respond To The Scan Tool
April 5, 2026: LEMON Manuals is launched! Read the announcement.

Pinpoint Test C: The IPC Does Not Respond To The Scan Tool

WARNING: This page is about a different car, the 2011 Mercury Milan, 2011 Lincoln MKZ, and 2011 Ford Fusion. However, it is still accessible from the selected car via links, so may be relevant.
NOTE: Use the correct probe adapter(s) when making measurements. Failure to use the correct probe adapter(s) may damage the connector.
NOTE: Failure to disconnect the battery when instructed will result in false resistance readings. Refer to BATTERY, MOUNTING & CABLES -- FUSION, MILAN & MKZ article.
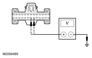
  1. C1 CHECK THE IPC VOLTAGE SUPPLY CIRCUITS FOR AN OPEN 
    • Disconnect: Instrument Panel Cluster (IPC) C220.
    • Ignition ON.
    • For gasoline engine, measure the voltage between the IPC C220-20, circuit CBP29 (WH/VT), harness side and ground; and between the IPC C220-21, circuit SBP26 (YE/RD), harness side and ground.
      Fig 1: Measuring Voltage Between IPC C220-20, Circuit CBP29 (WH/VT), Harness Side And Ground
      G06254347Courtesy of FORD MOTOR CO.
    • For hybrid engine, measure the voltage between the IPC C220-20, circuit CBP29 (WH/VT), harness side and ground; and between the IPC C220-19, circuit SBP26 (YE/RD), harness side and ground.
      Fig 2: Measuring Voltage Between IPC C220-20, Circuit CBP29 (WH/VT), Harness Side And Ground
      G06390951Courtesy of FORD MOTOR CO.
    • Are the voltages greater than 10 volts? 
    1. Yes  : GO to C2  .
    2. No  : VERIFY the Smart Junction Box (SJB) fuses 29 (5A) or 26 (15A) are OK. If OK, REPAIR the circuit in question. CLEAR the DTCs. If not OK, REFER to the SYSTEM WIRING DIAGRAMS article to identify the possible causes of the circuit short. REPEAT the network test with the scan tool.
  2. C2 CHECK THE IPC GROUND CIRCUIT FOR AN OPEN 
    • Ignition OFF.
    • Disconnect: Negative Battery Cable.
    • For gasoline engine, measure the resistance between the IPC C220-5, circuit GD116 (BK/VT) harness side and ground.
      Fig 3: Measuring Resistance Between IPC C220-5, Circuit GD116 (BK/VT) Harness Side And Ground
      G06254346Courtesy of FORD MOTOR CO.
    • For hybrid engine, measure the resistance between the IPC C220-9, circuit GD116 (BK/VT) harness side and ground.
      Fig 4: Measuring Resistance Between IPC C220-9, Circuit GD116 (BK/VT) Harness Side And Ground
      G06390950Courtesy of FORD MOTOR CO.
    • Is the resistance less than 5 ohms? 
    1. Yes  : For gasoline engine, GO to C3  .

      For hybrid engine, GO to  C5.

    2. No  : REPAIR the circuit. CLEAR the DTCs. REPEAT the network test with the scan tool.
  3. C3 CHECK THE HS-CAN TERMINATION RESISTANCE 
    • Disconnect the scan tool cable from the Data Link Connector (DLC).
    • Measure the resistance between the DLC C251-6, circuit VDB04 (WH/BU), harness side and the DLC C251-14, circuit VDB05 (WH), harness side.
      Fig 5: Measuring Resistance Between C251-6, Circuit VDB04 (WH/BU) And DLC C251-14, Circuit VDB05 (WH), Harness Side
      G06065430Courtesy of FORD MOTOR CO.
    • Is the resistance between 54 and 66 ohms? 
    1. Yes  : GO to  C6.
    2. No  : GO to C4  .
  4. C4 CHECK THE HS-CAN CIRCUITS BETWEEN THE DLC AND THE IPC FOR AN OPEN - GASOLINE 
    • Measure the resistance between the IPC C220-25, circuit VDB04 (WH/BU), harness side and the DLC C251-6, circuit VDB04 (WH/BU), harness side.
      Fig 6: Measuring Resistance Between IPC C220-25 And DLC C251-6, Circuit VDB04 (WH/BU), Harness Side
      G06254341Courtesy of FORD MOTOR CO.
    • Measure the resistance between the IPC C220-26, circuit VDB05 (WH), harness side and the DLC C251-14, circuit VDB05 (WH), harness side.
      Fig 7: Measuring Resistance Between IPC C220-26 And DLC C251-14, Circuit VDB05 (WH), Harness Side
      G06254342Courtesy of FORD MOTOR CO.
    • Are the resistances less than 5 ohms? 
    1. Yes  : GO to  C6.
    2. No  : REPAIR the circuit in question. CONNECT the negative battery cable. CLEAR the DTCs. REPEAT the network test with the scan tool.
  5. C5 CHECK THE HS-CAN CIRCUITS BETWEEN THE DLC AND THE IPC FOR AN OPEN - HYBRID 
    • Measure the resistance between the IPC C220-15, circuit VDB04 (WH/BU), harness side and the DLC C251-6, circuit VDB04 (WH/BU), harness side.
      Fig 8: Measuring Resistance Between IPC C220-15 And DLC C251-6, Circuit VDB04 (WH/BU), Harness Side
      G06390945Courtesy of FORD MOTOR CO.
    • Measure the resistance between the IPC C220-14, circuit VDB05 (WH), harness side and the DLC C251-14, circuit VDB05 (WH), harness side.
      Fig 9: Measuring Resistance Between IPC C220-14 And DLC C251-14, Circuit VDB05 (WH), Harness Side
      G06390946Courtesy of FORD MOTOR CO.
    • Are the resistances less than 5 ohms? 
    1. Yes  : GO to  C7.
    2. No  : REPAIR the circuit in question. CONNECT the negative battery cable. CLEAR the DTCs. REPEAT the network test with the scan tool.
  6. C6 CHECK THE MS-CAN CIRCUITS BETWEEN THE DLC AND THE IPC FOR AN OPEN - GASOLINE 
    • Measure the resistance between the IPC C220-12, circuit VDB06 (GY/OG), harness side and the DLC C251-3, circuit VDB06 (GY/OG), harness side.
      Fig 10: Measuring Resistance Between IPC C220-12 And DLC C251-3, Circuit VDB06 (GY/OG), Harness Side
      G06254344Courtesy of FORD MOTOR CO.
    • Measure the resistance between the IPC C220-13, circuit VDB07 (VT/ OG), harness side and the DLC C251-11, circuit VDB07 (VT/OG), harness side.
      Fig 11: Measuring Resistance Between IPC C220-13 And DLC C251-11, Circuit VDB07 (VT/OG), Harness Side
      G06254345Courtesy of FORD MOTOR CO.
    • Are the resistances less than 5 ohms? 
    1. Yes  : CONNECT the negative battery cable. GO to  C8.
    2. No  : REPAIR the circuit in question. CONNECT the negative battery cable. CLEAR the DTCs. REPEAT the network test with the scan tool.
  7. C7 CHECK THE MS-CAN CIRCUITS BETWEEN THE DLC AND THE IPC FOR AN OPEN - HYBRID 
    • Measure the resistance between the IPC C220-2, circuit VDB06 (GY/ OG), harness side and the DLC C251-3, circuit VDB06 (GY/OG), harness side.
      Fig 12: Measuring Resistance Between IPC C220-2 And DLC C251-3, Circuit VDB06 (GY/OG), Harness Side
      G06390948Courtesy of FORD MOTOR CO.
    • Measure the resistance between the IPC C220-1, circuit VDB07 (VT/ OG), harness side and the DLC C251-11, circuit VDB07 (VT/OG), harness side.
      Fig 13: Measuring Resistance Between IPC C220-1 And DLC C251-11, Circuit VDB07 (VT/OG), Harness Side
      G06390949Courtesy of FORD MOTOR CO.
    • Are the resistances less than 5 ohms? 
    1. Yes  : CONNECT the negative battery cable. GO to C8  .
    2. No  : REPAIR the circuit in question. CONNECT the negative battery cable. CLEAR the DTCs. REPEAT the network test with the scan tool.
  8. C8 CHECK FOR CORRECT IPC OPERATION 
    • Disconnect the IPC connector.
    • Check for:
      • corrosion
      • damaged pins
      • pushed-out pins
    • Connect the IPC connector and make sure it seats correctly.
    • Operate the system and verify the concern is still present.
    • Is the concern still present? 
    1. Yes  : INSTALL a new IPC. REFER to INSTRUMENTATION, MESSAGE CENTER & WARNING CHIMES -- FUSION, MILAN & MKZ article. CLEAR the DTCs. REPEAT the network test with the scan tool.
    2. No  : The system is operating correctly at this time. The concern may have been caused by a loose or corroded connector. CLEAR the DTCs. REPEAT the network test with the scan tool.