LEMON Manuals: Even more car manuals for everyone: 1960-2025
Home >> Dodge and Ram >> 2013 >> Challenger SXT >> Repair and Diagnosis >> External Pages >> Different car >> Section 1530 (Module Communications Network) >> Diagnosis And Testing >> Communications Network >> Pinpoint Tests >> Pinpoint Test T: The Parking Aid Module (PAM) Does Not Respond To The Scan Tool >> Pinpoint Test T: The PAM Does Not Respond To The Scan Tool
April 5, 2026: LEMON Manuals is launched! Read the announcement.

Pinpoint Test T: The PAM Does Not Respond To The Scan Tool

WARNING: This page is about a different car, the 2011 Mercury Milan, 2011 Lincoln MKZ, and 2011 Ford Fusion. However, it is still accessible from the selected car via links, so may be relevant.
NOTE: Use the correct probe adapter(s) when making measurements. Failure to use the correct probe adapter(s) may damage the connector.
NOTE: Failure to disconnect the battery when instructed will result in false resistance readings. Refer to BATTERY, MOUNTING & CABLES -- FUSION, MILAN & MKZ article.
  1. T1 CHECK THE PAM VOLTAGE SUPPLY CIRCUIT FOR AN OPEN 
    • Ignition OFF.
    • Disconnect: PAM C4014.
    • Ignition ON.
    • Measure the voltage between the PAM C4014-1, circuit CBP35 (YE/GY), harness side and ground.
      Fig 1: Measuring Voltage Between PAM C4014-1 Circuit CBP35 (YE/GY) And Ground
      G06065491Courtesy of FORD MOTOR CO.
    • Is the voltage greater than 10 volts? 
    1. Yes  : GO to T2  .
    2. No  : VERIFY the Smart Junction Box (SJB) fuse 35 (10A) is OK. If OK, REPAIR the circuit. If not OK, REFER to the SYSTEM WIRING DIAGRAMS article to identify the possible causes of the short circuit. TEST the system for normal operation.
  2. T2 CHECK THE PAM GROUND CIRCUIT FOR AN OPEN 
    • Ignition OFF.
    • Disconnect: Negative Battery Cable.
    • Measure the resistance between the PAM C4014-4, circuit GD171 (BK/GY), harness side and ground.
      Fig 2: Measuring Resistance Between PAM C4014-4 Circuit GD171 (BK/GY) And Ground
      G06065492Courtesy of FORD MOTOR CO.
    • Is the resistance less than 5 ohms? 
    1. Yes  : GO to  A7.
    2. No  : REPAIR the circuit. CONNECT the negative battery cable. TEST the system for normal operation.
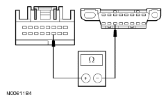
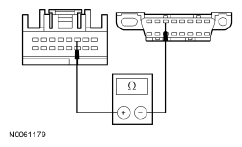
  3. T3 CHECK THE MS-CAN CIRCUITS BETWEEN THE PAM AND THE DLC FOR AN OPEN 
    • Measure the resistance between the PAM C4014-3, circuit VDB06 (GY/OG), harness side and the DLC C251-3, circuit VDB06 (GY/OG), harness side.
      Fig 3: Measuring Resistance Between PAM C4014-3, Circuit VDB06 (GY/OG) And DLC C251-3, Circuit VDB06 (GY/OG) Harness Side
      G06075835Courtesy of FORD MOTOR CO.
    • Measure the resistance between the PAM C4014-11, circuit VDB07 (VT/OG), harness side and the DLC C251-11, circuit VDB07 (VT/OG), harness side.
      Fig 4: Measuring Resistance Between PAM C4014-11, Circuit VDB07 (VT/OG) And DLC C251-11, Circuit VDB07 (VT/OG) Harness Side
      G06075836Courtesy of FORD MOTOR CO.
    • Are the resistances less than 5 ohms? 
    1. Yes  : CONNECT the negative battery cable. GO to T4  .
    2. No  : REPAIR the circuit in question. CONNECT the negative battery cable. CLEAR the DTCs. REPEAT the network test with the scan tool.
  4. T4 CHECK FOR CORRECT PAM OPERATION 
    • Disconnect the PAM connector.
    • Check for:
      • corrosion
      • damaged pins
      • pushed-out pins
    • Connect the PAM connector and make sure it seats correctly.
    • Operate the system and verify the concern is still present.
    • Is the concern still present? 
    1. Yes  : INSTALL a new PAM. REFER to PARKING AID -- FUSION, MILAN & MKZ article. CLEAR the DTCs. REPEAT the network test with the scan tool.
    2. No  : The system is operating correctly at this time. The concern may have been caused by a loose or corroded connector. CLEAR the DTCs. REPEAT the network test with the scan tool.