LEMON Manuals: Even more car manuals for everyone: 1960-2025
Home >> Dodge and Ram >> 2013 >> Durango R/T, AWD >> Repair and Diagnosis >> External Pages >> Different car >> Section 428 (Telematics Gateway Module - Electrical Diagnostics) >> DTC Troubleshooting >> B1400-2B-Front Left Audio Speaker Output - Circuit Shorted Together - Base >> Notes
April 5, 2026: LEMON Manuals is launched! Read the announcement.

B1400-2B-Front Left Audio Speaker Output - Circuit Shorted Together - Base: Notes

WARNING: This page is about a different car, the 2013 Chrysler 300. However, it is still accessible from the selected car via links, so may be relevant.
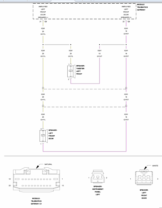
Fig 1: Front Left Audio Speaker Output Wiring Diagram
GC0142002Courtesy of CHRYSLER GROUP, LLC

For a complete wiring diagram, refer to appropriate SYSTEM WIRING DIAGRAMS article  .

NOTE:

There are two versions of the B1400-2B DTC test. In order to select the proper test you must know if the vehicle is equipped with an Amplifier. If the vehicle is equipped with an Amplifier use the B1400-2B-PREMIUM test. If the vehicle is not equipped with an Amplifier use the B1400-2B-BASE test.