LEMON Manuals: Even more car manuals for everyone: 1960-2025
Home >> Dodge and Ram >> 2013 >> Durango R/T, AWD >> Repair and Diagnosis >> External Pages >> Different car >> Section 622 (Memory Seat Module Driver (MSMD) - Electrical Diagnostics) >> DTC Troubleshooting >> B1D7F-00-Seat Front Vertical Motor Control Circuit Performance >> Notes
April 5, 2026: LEMON Manuals is launched! Read the announcement.

B1D7F-00-Seat Front Vertical Motor Control Circuit Performance: Notes

WARNING: This page is about a different car, the 2015 Chrysler 300. However, it is still accessible from the selected car via links, so may be relevant.

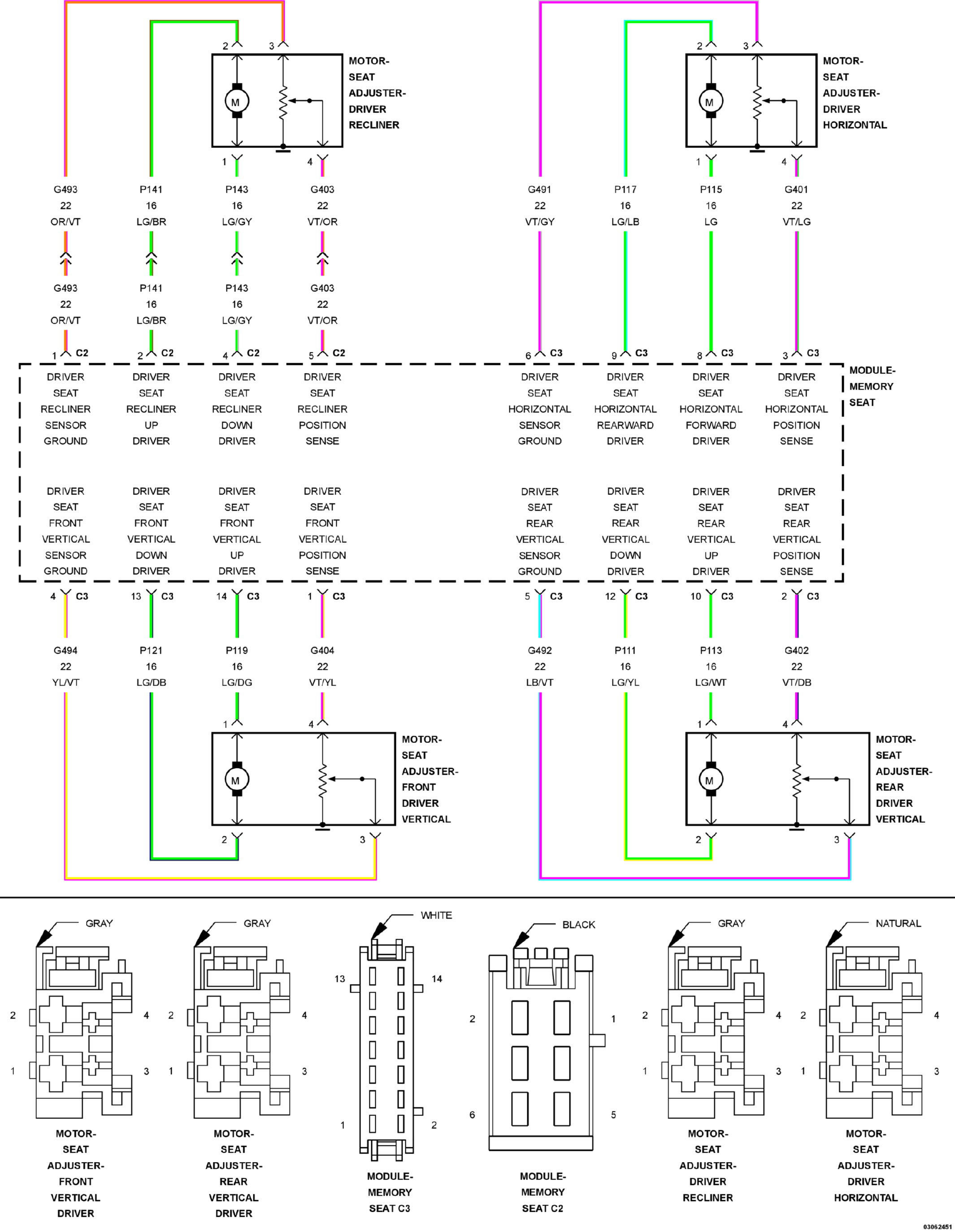
For a complete wiring diagram, refer to appropriate SYSTEM WIRING DIAGRAMS article  .

Fig 1: Memory Seat Module Circuit Wiring Diagram
GC0141691Courtesy of CHRYSLER GROUP, LLC