LEMON Manuals: Even more car manuals for everyone: 1960-2025
Home >> Dodge and Ram >> 2013 >> Durango SXT, AWD >> Repair and Diagnosis (Single Page) >> Body & Frame >> Seats >> Heated Seat Module (HSM) - Electrical Diagnostics >> DTC Troubleshooting >> B1E9B-13-Rear Left Heater Control Circuit - Circuit Open >> Notes
April 5, 2026: LEMON Manuals is launched! Read the announcement.

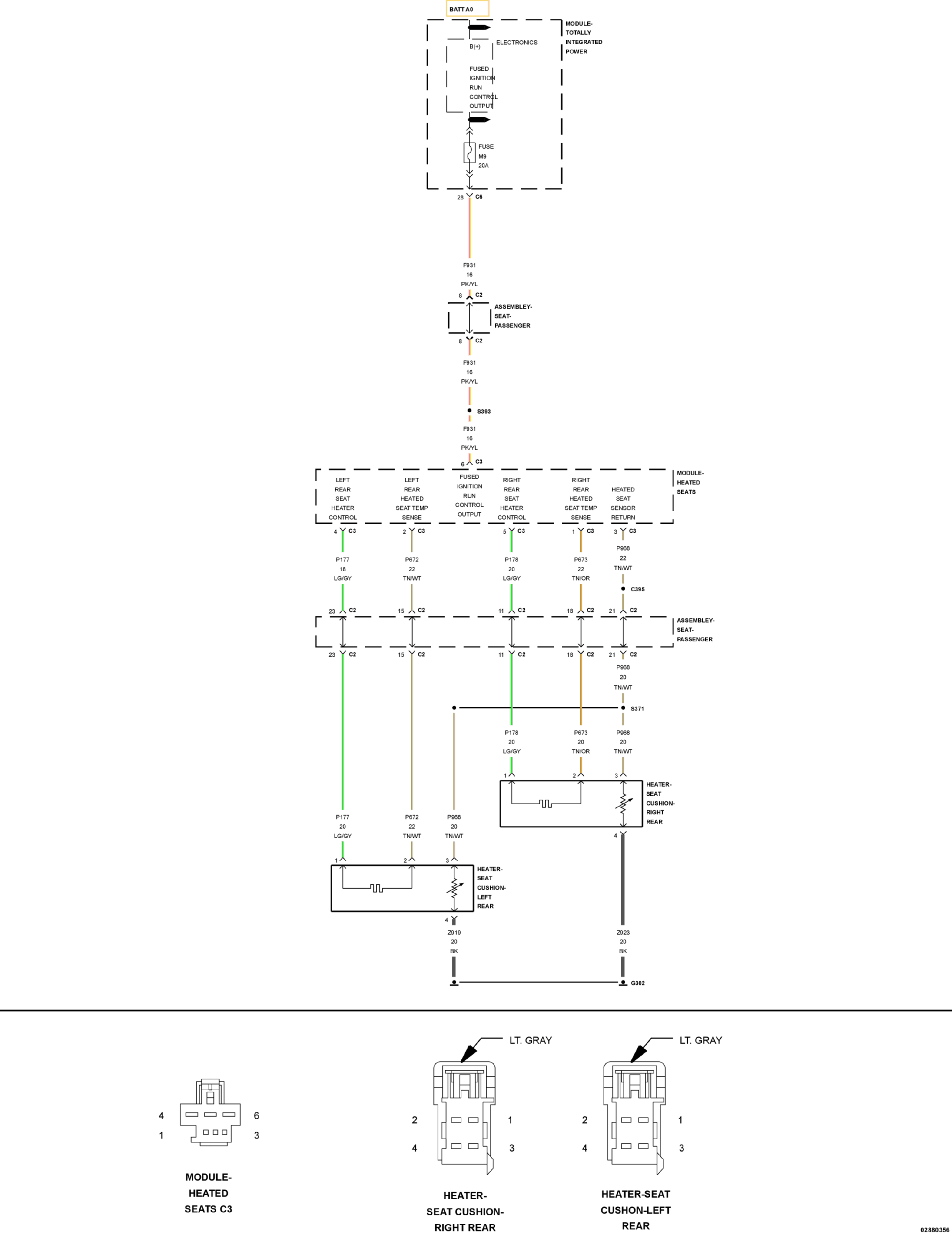
B1E9B-13-Rear Left Heater Control Circuit - Circuit Open: Notes

Fig 1: Heater Control Circuit Diagram
GC0149002Courtesy of CHRYSLER GROUP, LLC

For a complete wiring diagram, refer to appropriate SYSTEM WIRING DIAGRAMS article  .