LEMON Manuals: Even more car manuals for everyone: 1960-2025
Home >> Dodge and Ram >> 2013 >> Viper Base >> Repair and Diagnosis (Single Page) >> Restraints >> Restraints Control Systems >> Occupant Restraint Controller (Orc) - Electrical Diagnostics >> DTC Troubleshooting >> B0010-13-Passenger Frontal Squib 1 Control- Circuit Open >> Diagnostic Test
April 5, 2026: LEMON Manuals is launched! Read the announcement.

Diagnostic Test

  1. VERIFY ACTIVE DTC 
    NOTE:

    Make sure the battery is fully charged.

    1. Turn the ignition on.
    2. With the scan tool, read ORC DTCs

      Does the scan tool display active B0010-13-PASSENGER FRONTAL SQUIB 1 CONTROL - CIRCUIT OPEN DTC?

      Yes 

      • Go To  2

      No 

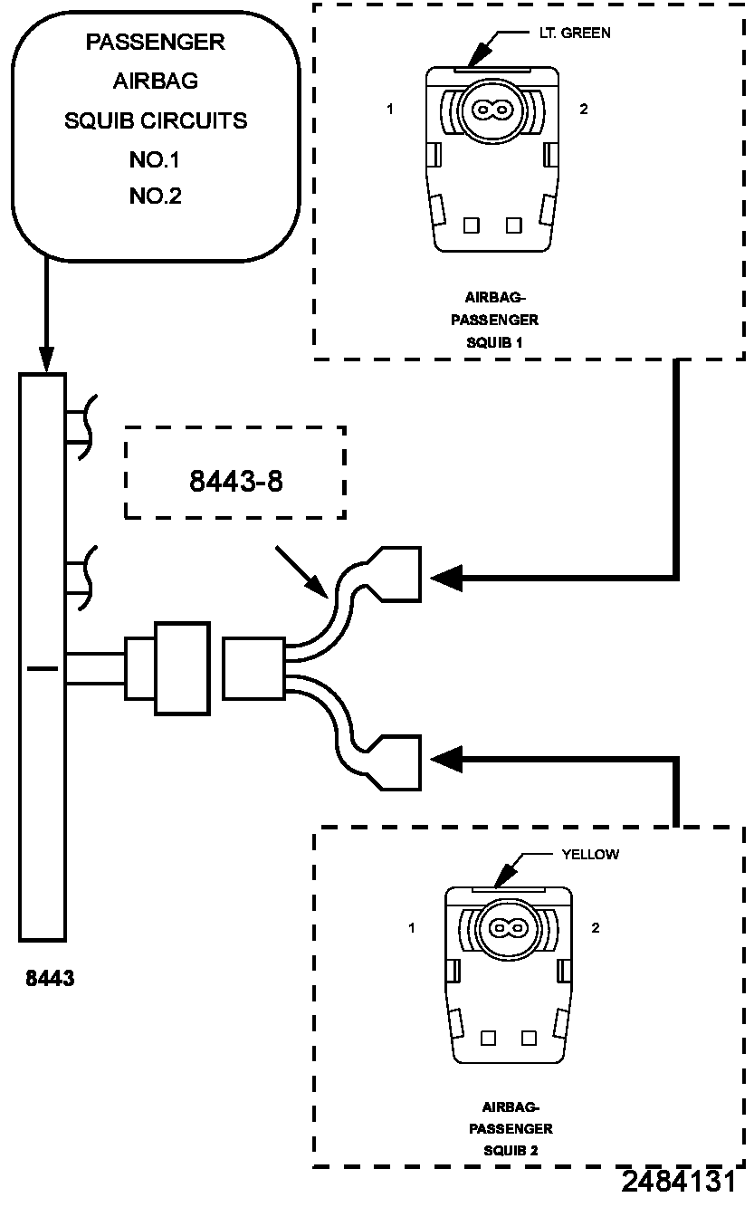
  2. CHECK FOR OPEN PASSENGER AIRBAG SQUIB CIRCUITS 
    Fig 1: Checking Passenger Airbag Squib For Short To Voltage
    GC0137188Courtesy of CHRYSLER GROUP, LLC
    WARNING:

    Turn the ignition off, disconnect the 12-volt battery and wait two minutes before proceeding. Failure to follow these instructions may result in possible serious or fatal injury.

    1. Disconnect the Passenger Airbag Squib harness connectors.
      WARNING:

      Do not place an intact non-deployed airbag face down on a hard surface, the airbag propels into the air if accidentally deployed. Failure to follow these instructions may result in possible serious or fatal injury.

      NOTE:

      Check connectors - Clean and repair as necessary.

    2. Connect the SRS Load Tool Kit (special tool #8443A, SRS Load Tool) and SRS Load Tool Jumper (special tool #8443-8, Jumper, SRS Load) to the Passenger Airbag Squib harness connectors.
      WARNING:

      Turn the ignition on, then reconnect the 12-volt battery and wait two minutes before proceeding. Failure to follow these instructions may result in possible serious or fatal injury.

    3. With the scan tool, read the ORC DTCs.

      Does the scan tool display active B0010-13-PASSENGER FRONTAL SQUIB 1 CONTROL - CIRCUIT OPEN DTC?

      Yes 

      • Go To  3

      No 

      WARNING:

      Turn the ignition off, disconnect the 12-volt battery and wait two minutes before proceeding. Failure to follow these instructions may result in possible serious or fatal injury.

      • Replace the Passenger Airbag in accordance with the Service Information.
      • Perform the RESTRAINTS SYSTEM VERIFICATION TEST. Refer to STANDARD PROCEDURE .
  3. CHECK (R42, R64) PASSENGER SQUIB 1 CIRCUITS FOR AN OPEN 
    WARNING:

    Turn the ignition off, disconnect the 12-volt battery and wait two minutes before proceeding. Failure to follow these instructions may result in possible serious or fatal injury.

    1. Disconnect the SRS Load Tool Kit (special tool #8443A, SRS Load Tool) and Jumper from the Passenger Airbag Squib harness connectors.
    2. Disconnect the ORC harness connectors.
      NOTE:

      Check connectors - Clean and repair as necessary.

    3. Connect the SRS Load Tool Adapter (special tool #8443-57, Adapter, Supplemental Restraint System Load Tool) to the ORC C1 harness connector.
    4. Measure the resistance of the (R42) Passenger Squib 1 Line 2 circuit cavity 1 between the Passenger Airbag Squib 1 harness connector and the SRS Load Tool Adapter (special tool #8443-57, Adapter, Supplemental Restraint System Load Tool) cavity 4.
    5. Measure the resistance of the (R44) Passenger Squib 1 Line 1 circuit cavity 2 between the Passenger Airbag Squib 1 harness connector and the SRS Load Tool Adapter (special tool #8443-57, Adapter, Supplemental Restraint System Load Tool) cavity 3.

      Is the resistance below 1.0 Ohms on both circuits?

      Yes 

      WARNING:

      If the Occupant Restraint Controller (ORC) is dropped at any time, it must be replaced. Failure to follow these instructions may result in possible serious or fatal injury.

      No 

      • Repair the (R42, R44) Passenger Squib 1 circuits for an open or high resistance.
      • Perform the RESTRAINTS SYSTEM VERIFICATION TEST. Refer to STANDARD PROCEDURE .