LEMON Manuals: Even more car manuals for everyone: 1960-2025
Home >> Dodge and Ram >> 2015 >> Durango SXT, AWD >> Repair and Diagnosis (Single Page) >> Engine Performance >> System >> 3.6L - DTCS P0501 To P1128 >> DTC Troubleshooting >> P0622-Generator Field Control Circuit >> Notes
April 5, 2026: LEMON Manuals is launched! Read the announcement.

P0622-Generator Field Control Circuit: Notes

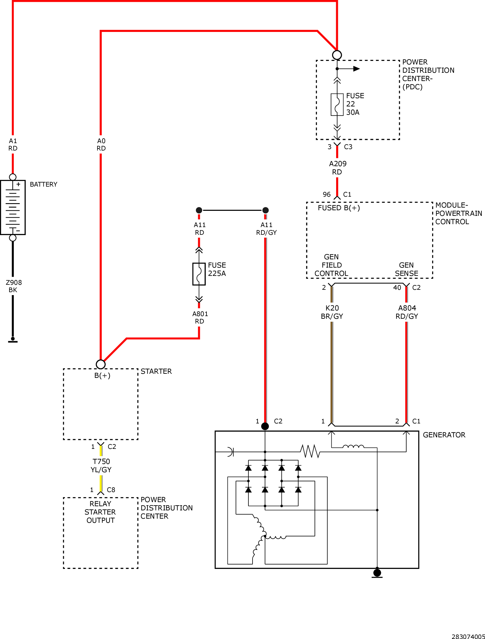
For a complete wiring diagram, refer to appropriate SYSTEM WIRING DIAGRAMS article  .

Fig 1: Powertrain Control Module Circuit Wiring Diagram
GC0156912Courtesy of CHRYSLER GROUP, LLC