LEMON Manuals: Even more car manuals for everyone: 1960-2025
Home >> Dodge and Ram >> 2015 >> Viper Base >> Repair and Diagnosis >> Steering >> Steering Control Systems >> (Steering Control Module (SCM) - Electrical Diagnostics) >> DTC Troubleshooting >> U1008-00-Lin 1 Bus >> Notes
April 5, 2026: LEMON Manuals is launched! Read the announcement.

U1008-00-Lin 1 Bus: Notes

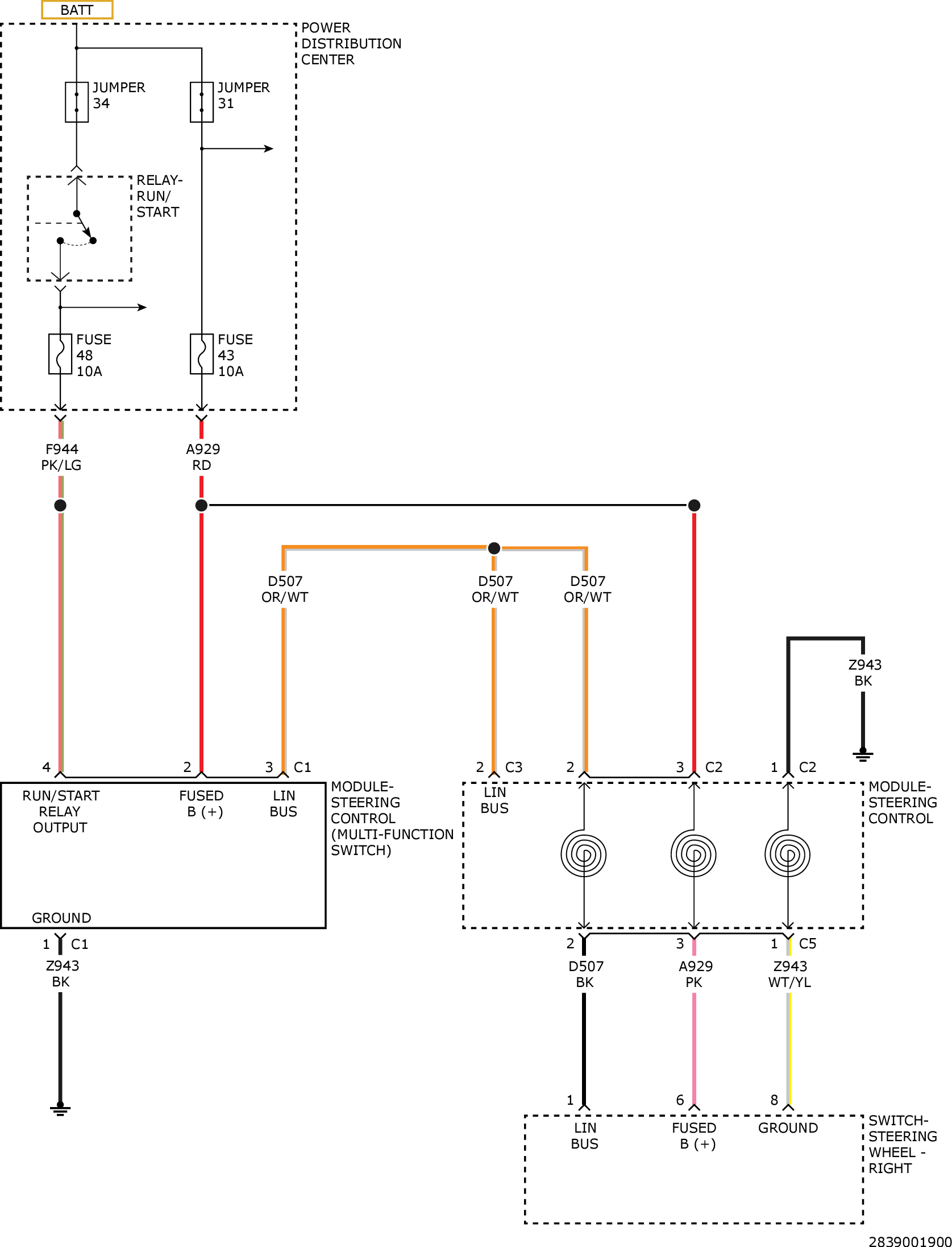
For a complete wiring diagram, refer to appropriate SYSTEM WIRING DIAGRAMS article  .

Fig 1: Multifunction Switch Circuit Diagram
GC0157021Courtesy of CHRYSLER GROUP, LLC