LEMON Manuals: Even more car manuals for everyone: 1960-2025
Home >> Dodge and Ram >> 2016 >> Durango R/T, AWD >> Repair and Diagnosis >> External Pages >> Different car >> Section 19 (Electronic Control Modules (Service Information)) >> Module, Powertrain Control >> Removal >> Gas
April 5, 2026: LEMON Manuals is launched! Read the announcement.

Module, Powertrain Control: Removal: Gas

WARNING: This page is about a different car, the 2014 Dodge Durango. However, it is still accessible from the selected car via links, so may be relevant.
CAUTION:

Certain ABS systems rely on having the Powertrain Control Module (PCM) broadcast the Vehicle Identification Number (VIN) over the bus network. To prevent problems of DTCs and other items related to the VIN broadcast, it is recommend that you disconnect the ABS CAB (controller) temporarily when replacing the PCM. Once the PCM is replaced, write the VIN to the PCM using a diagnostic scan tool. This is done from the engine main menu. Arrow over to the second page to "1. Miscellaneous". Select "Check VIN" from the choices. Make sure it has the correct VIN entered before continuing. When the VIN is complete, turn off the ignition key and reconnect the ABS module connector. This will prevent the setting of DTCs and other items associated with the lack of a VIN detected when you turn the key ON after replacing the PCM.

CAUTION:

Use a diagnostic scan tool to reprogram the new PCM with the vehicles original identification number (VIN) and the vehicles original mileage. If this step is not done, a Diagnostic Trouble Code (DTC) may be set.

Fig 1: Negative Battery Cable
GC0145484Courtesy of CHRYSLER GROUP, LLC
  1. Disconnect and isolate the negative battery cable.
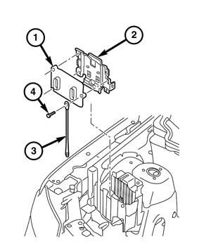
    Fig 2: PCM, Mounting Bracket, Ground Strap & Retaining Screws
    GC0157457Courtesy of CHRYSLER GROUP, LLC
  2. Carefully unplug the connectors from the PCM (1).
  3. Remove the PCM retaining screws (4).
  4. Position the ground strap (3) aside.
  5. Remove the PCM from the mounting bracket (2) located on the PDC.