LEMON Manuals: Even more car manuals for everyone: 1960-2025
Home >> Dodge and Ram >> 2016 >> ProMaster City Base >> Repair and Diagnosis >> External Pages >> Different car >> Section 249 (Electronic Control Modules - (Service Information)) >> Module, Powertrain Control >> Installation >> Gas
April 5, 2026: LEMON Manuals is launched! Read the announcement.

Module, Powertrain Control: Installation: Gas

WARNING: This page is about a different car, the 2015 RAM ProMaster 3500, 2015 RAM ProMaster 2500, and 2015 RAM ProMaster 1500. However, it is still accessible from the selected car via links, so may be relevant.
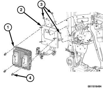
Fig 1: PCM, Bracket & Nuts
GC0160470Courtesy of CHRYSLER GROUP, LLC
  1. Install the powertrain control module (PCM) (1). Tighten the three nuts (4) to 4.5 N.m (40 in. lbs.).
  2. Connect and lock the electrical connectors (1) to the PCM.
  3. Connect the negative battery cable.
    NOTE:

    If a new PCM is installed, it must be programed with the original Vehicle Identification Number (VIN) and mileage. If this is not done, a Diagnostic Trouble Code (DTC) may set.

    NOTE:

    If a new PCM is installed. Refer to PCM/ECM REPROGRAMMING - GAS .

  4. If a new PCM is being installed, use a scan tool and program the new PCM with the original VIN and vehicle mileage.