LEMON Manuals: Even more car manuals for everyone: 1960-2025
Home >> Dodge and Ram >> 2016 >> Viper Base >> Repair and Diagnosis >> Steering >> Steering Column >> Steering System >> Column >> Installation
April 5, 2026: LEMON Manuals is launched! Read the announcement.

Steering System: Column: Installation

  1. Install steering column into opening in lower instrument panel.
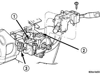
  2. Position multi-function/windshield wiper switch (2) onto top of column and install two screws (1) securing switch in place.
    GC0135797Courtesy of CHRYSLER GROUP, LLC
  3. Place clockspring (1) onto end of column engaging clockspring latch hooks (2) into column (3).
  4. Align slots in mounting brackets on steering column with studs in instrument panel. Loosely attach column to instrument panel lower mounting studs using two lower mounting nuts.
    GC0135795Courtesy of CHRYSLER GROUP, LLC
  5. Connect wiring harness electrical connectors (1, 2) to multi-function switch and windshield wiper switch.
    GC0135794Courtesy of CHRYSLER GROUP, LLC
  6. Connect wiring harness electrical connector (3) to clockspring (2).
  7. Lift column into mounting position on the instrument panel and install two upper mounting nuts and tighten all four (upper and lower) mounting nuts to the proper specification. Refer to SPECIFICATIONS .
  8. Verify front wheels of vehicle are in STRAIGHT-AHEAD position.
    GC0135793Courtesy of CHRYSLER GROUP, LLC
  9. If not already positioned, position steering column shaft in correct alignment with splines in intermediate shaft extension (5) coupling. To do this, turn the steering wheel end of the shaft until the missing spline area on that end of the shaft faces straight up.
  10. Slide intermediate shaft extension (5) coupling onto steering column (3) shaft and install a NEW  coupling pinch bolt and tighten to the proper specification. Refer to SPECIFICATIONS .
  11. Install upper shroud (4) onto steering column.
  12. Install lower shroud (8) onto steering column. Snap lower shroud to upper, then install and tighten two screws securing shrouds to column.
    CAUTION:

    When installing the steering wheel, the clockspring must be centered in its travel to avoid overextending the clockspring inner parts, causing the clockspring to become inoperative. If removed and handled properly using the correct procedures, it should be in the "centered" position. If there is any question as to whether the clockspring is in the "centered" position of travel, perform the clockspring centering procedure before proceeding. Refer to STANDARD PROCEDURE - CLOCKSPRING CENTERING .

    GC0135793Courtesy of CHRYSLER GROUP, LLC
    CAUTION:

    Do not install the steering wheel onto the shaft of the steering column by driving it onto the shaft.

  13. Feed clockspring wiring leads through hole in steering wheel (1). Align steering wheel's wide mounting spline with steering column shaft missing spline area and push wheel onto shaft. Make sure clockspring lines up with back of steering wheel and does not bind.
  14. Install steering wheel retaining bolt and tighten it until wheel is fully installed on shaft and tighten steering wheel retaining bolt to the proper specification. Refer to SPECIFICATIONS .
    GC0135792Courtesy of CHRYSLER GROUP, LLC
  15. Place driver airbag (1) near clockspring wiring and connect horn switch wiring connector (2).
  16. Connect squib wires (6) (match colors of connector ends) to driver airbag. Make airbag connection by pressing straight in on connectors. The connector must be fully seated. Feel for positive snap to assure positive connection.
  17. Attach squib wiring routing clips (3, 4) to steering wheel (5).
  18. Place driver airbag into position and install three mounting screws and tighten mounting screws to the proper specification. Refer to SPECIFICATIONS .
  19. Install lower instrument panel steering column cover. Refer to COVER, STEERING COLUMN OPENING, INSTALLATION .
    WARNING:

    Do not connect the battery ground cable without following the proper procedure as indicated in the following step. Personal injury or death may result if the Airbag System Test is not performed first.

  20. Reconnect battery ground terminal following Airbag System Test . Refer to DIAGNOSIS AND TESTING .
  21. Test operation of all column mounted components. If applicable, reset radio and clock.
  22. Verify tilt mechanism operates properly.
  23. Road test vehicle to ensure proper operation of steering system.