LEMON Manuals: Even more car manuals for everyone: 1960-2025
Home >> Dodge and Ram >> 2017 >> Challenger SXT Plus >> Repair and Diagnosis >> External Pages >> Different car >> Section 11 (Electronic Control Modules (Service Information)) >> Module, Anti-Lock Brake System >> Installation >> Installation
April 5, 2026: LEMON Manuals is launched! Read the announcement.

Module, Anti-Lock Brake System: Installation: Installation

WARNING: This page is about a different car, the 2012 Chrysler 300. However, it is still accessible from the selected car via links, so may be relevant.
Fig 1: Solenoid Valve Seal
GC0079885Courtesy of CHRYSLER GROUP, LLC
CAUTION:

When installing new O-rings or solenoid valve stem seals, do not use any type of lubricant.

  1. Clean any debris off the mating surfaces of the HCU and ABM.
  2. If the seals (1) on the solenoid valve stems (2) are not new, replace them all. Each of the solenoid valve stem seals must be new to keep out moisture and debris; do not reuse solenoid valve stem seals  .
    Fig 2: Internal Pump Connector O-Ring
    GC0079886Courtesy of CHRYSLER GROUP, LLC
  3. Replace the pump/motor connector O-ring (1) if it is not new. Be sure the O-ring is properly seated in the mounting groove (2).
    Fig 3: ABM Assembly To HCU
    GC0079884Courtesy of CHRYSLER GROUP, LLC
  4. Align components and install the ABM (1) on the HCU (2).
    Fig 4: ABM Mounting Screws - With Traction Control
    GC0079883Courtesy of CHRYSLER GROUP, LLC
  5. Install the four screws (1) attaching the ABM (2) to the HCU. Tighten the mounting screws to 2 N.m (17 in. lbs.).
    Fig 5: ICU Mounting
    GC0208658Courtesy of CHRYSLER GROUP, LLC
  6. Position ICU (1) above mounting grommets (2) located in body side rail and press mounting bracket into place.
    Fig 6: Left Rear And Right Rear Brake Tubes AT ICU
    GC0079887Courtesy of CHRYSLER GROUP, LLC
  7. Clip rear brake tubes (1, 2) to routing clip (3) on bracket below Fuse And Relay Center.
    Fig 7: Left Front And Right Front Brake Tubes AT ICU
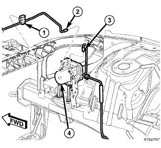
    GC0079888Courtesy of CHRYSLER GROUP, LLC
  8. Clip right front brake tube (3) to routing clip on bracket below Fuse And Relay Center.
  9. Clip brake tubes to two routing clips (1) along upper radiator support.
    Fig 8: Anti-Lock Brake Module Wiring Harness Connector
    GC0079882Courtesy of CHRYSLER GROUP, LLC
    CAUTION:

    Before installing the ABM harness connector (2) on the ABM (1), be sure the seal is properly installed in the connector.

  10. Insert ABM harness connector (2) into socket of ABM (1) and close cover, locking connector in place.
    Fig 9: Disconnecting/Connecting Battery Cables
    GC0081560Courtesy of CHRYSLER GROUP, LLC
  11. Connect battery negative cable (2) to battery post. It is important that this is performed properly.
  12. Perform ABS Verification Test and clear any faults. Refer to STANDARD PROCEDURE .