LEMON Manuals: Even more car manuals for everyone: 1960-2025
Home >> Dodge and Ram >> 2017 >> Durango R/T, AWD >> Repair and Diagnosis (Single Page) >> Engine Performance >> System >> 5.7L - DTCS P0523 To P1572 >> DTC Troubleshooting >> P0685-ASD/Main Control Circuit >> Notes
April 5, 2026: LEMON Manuals is launched! Read the announcement.

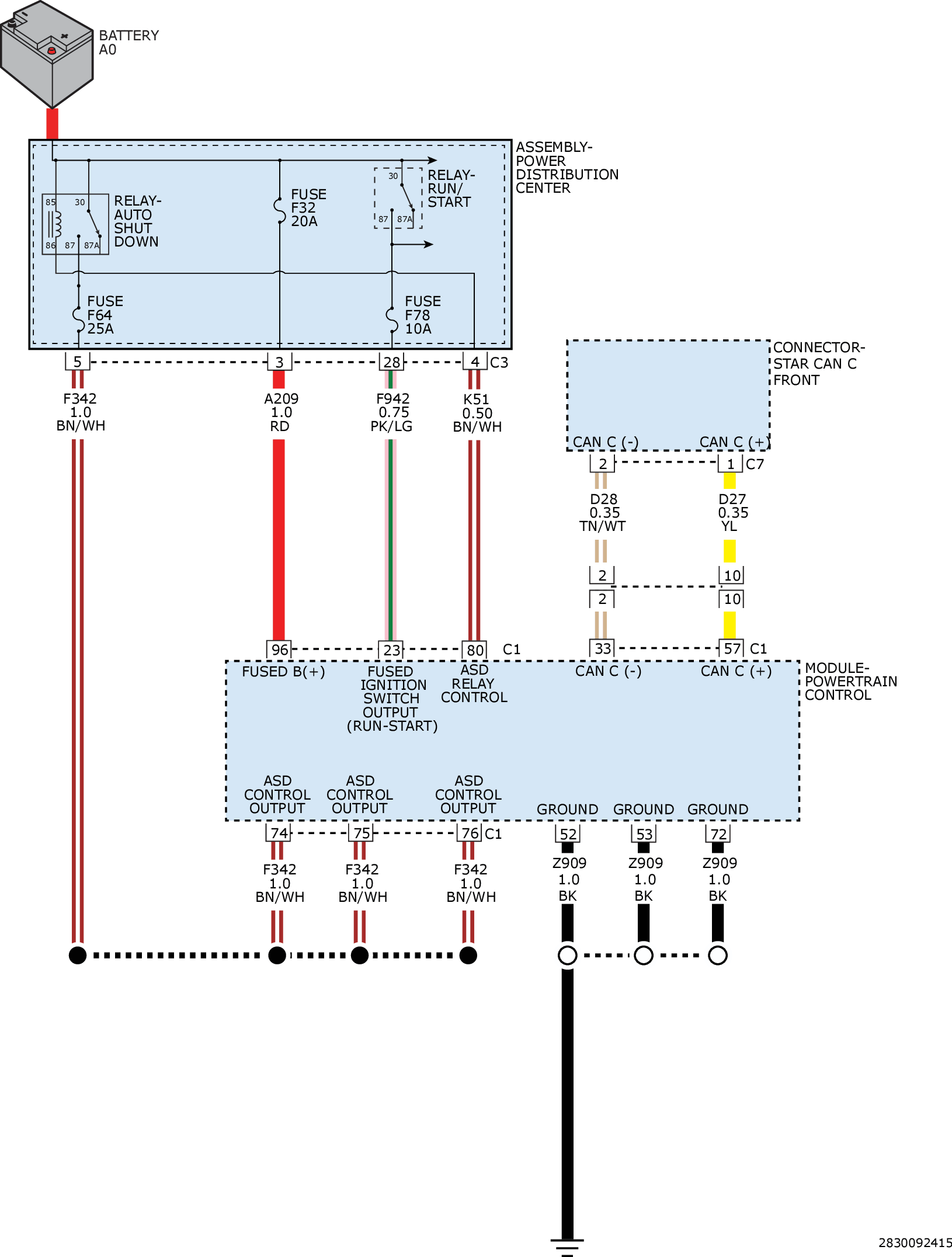
P0685-ASD/Main Control Circuit: Notes

GC0174861Courtesy of CHRYSLER GROUP, LLC