LEMON Manuals: Even more car manuals for everyone: 1960-2025
Home >> Dodge and Ram >> 2017 >> Viper Base >> Repair and Diagnosis (Single Page) >> Accessories & Equipment >> Communication Devices >> (Body Control Module (BCM) - Electrical Diagnostics) >> DTC Troubleshooting >> B2303-13-Wiper Park Switch Input-Circuit Open >> Notes
April 5, 2026: LEMON Manuals is launched! Read the announcement.

B2303-13-Wiper Park Switch Input-Circuit Open: Notes

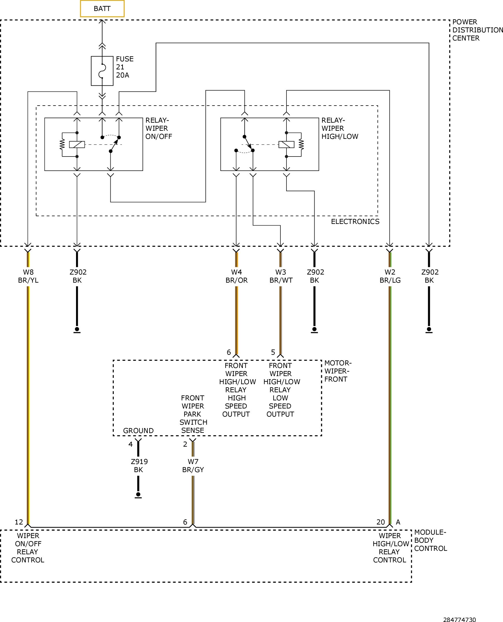
For a complete wiring diagram, refer to appropriate SYSTEM WIRING DIAGRAMS article  .

GC0157060Courtesy of CHRYSLER GROUP, LLC