LEMON Manuals: Even more car manuals for everyone: 1960-2025
Home >> Dodge and Ram >> 2017 >> Viper Base >> Repair and Diagnosis (Single Page) >> Engine Performance >> System >> DRIVEABILITY - Gas - Non-DTC Based Diagnostics >> Diagnosis And Testing >> Checking The Pcm Power And Ground Circuits >> Notes
April 5, 2026: LEMON Manuals is launched! Read the announcement.

Checking The Pcm Power And Ground Circuits: Notes

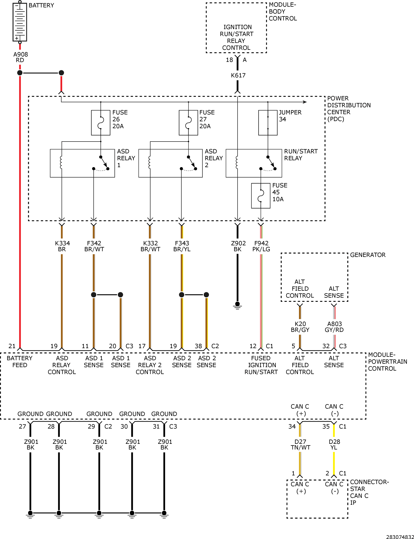
For a complete wiring diagram, refer to appropriate SYSTEM WIRING DIAGRAMS article  .

GC0157040Courtesy of CHRYSLER GROUP, LLC