LEMON Manuals: Even more car manuals for everyone: 1960-2025
Home >> Dodge and Ram >> 2017 >> Viper Base >> Repair and Diagnosis >> Steering >> Steering Column >> Steering System >> Gear >> Installation
April 5, 2026: LEMON Manuals is launched! Read the announcement.

Steering System: Gear: Installation

  1. Install steering gear back in vehicle using reverse order of removal through the left front wheel opening.
  2. Lower vehicle to height where under hood can be reached as well as under car.
    NOTE:

    Front wheel dynamic toe pattern is critical in controlling a vehicle's directional stability as the vehicle's suspension moves through normal jounce and rebound travel. Front wheel dynamic toe pattern is adjusted by raising or lowering the mounting height of the steering gear. This is accomplished through the use of shims. When installing a steering gear, in order to maintain the correct front wheel toe pattern of the vehicle, install the same thickness shim as was removed. If not, front wheel dynamic toe will need to be checked and adjusted accordingly. Otherwise, the only time front wheel toe pattern is required to be checked or adjusted is if the frame of the vehicle has been damaged.

    Shims (available in various sizes) are mounted between the steering gear and its mount. A maximum of 11 mm (0.43 in. or 7/16 in.) shimming is allowed between the steering gear and its mount.

    GC0135803Courtesy of CHRYSLER GROUP, LLC
    CAUTION:

    Install original toe pattern shims (3) in original locations when steering gear is installed in vehicle.

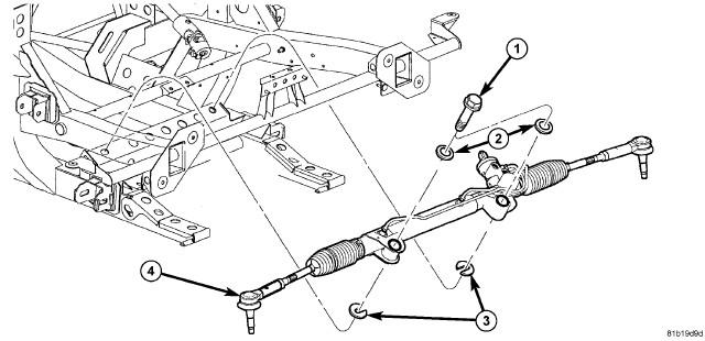
  3. Align steering gear (4) with mounts on frame. From top, install two steering gear mounting bolts (1) and washers (2) through gear and start driver side bolt into nut on frame. Do not tighten bolt at this time. 
    GC0135804Courtesy of CHRYSLER GROUP, LLC
  4. Reach underneath and start special nut (2) on passenger side mounting bolt (1). Do not tighten bolt at this time. 
    GC0135803Courtesy of CHRYSLER GROUP, LLC
    NOTE:

    Shims (3) installed between steering gear and frame mounts must be oriented with their open ends along the axis of the gear, that is, facing either left or right. Shims are never to be installed with their open ends facing to the front or rear of the vehicle.

  5. Slide original size toe shims (3) onto mounting bolts between gear and frame mounts and align as indicated in preceding note.
  6. Tighten steering gear mounting bolts (1) to the proper specification. Refer to SPECIFICATIONS .
  7. Raise and support vehicle. Refer to HOISTING, STANDARD PROCEDURE .
    GC0134985Courtesy of CHRYSLER GROUP, LLC
  8. On each side of vehicle, install outer tie rod end to steering knuckle (5). Install a NEW tie rod nut (3) and tighten nut to the proper specification. Refer to SPECIFICATIONS .
  9. Install tire and wheel assemblies. Refer to INSTALLATION .
  10. Lower vehicle.
    GC0135802Courtesy of CHRYSLER GROUP, LLC
  11. Install power steering pressure hose (1) and return hose (2) in steering gear fluid ports and tighten hose tube nuts to the proper specification. Refer to SPECIFICATIONS .
    GC0135800Courtesy of CHRYSLER GROUP, LLC
  12. Align intermediate shaft (2) with steering gear shaft (3). Slide intermediate shaft coupling onto steering gear shaft until bolt hole is properly aligned. It may be necessary to use a soft (brass) drift and hammer to tap the coupling into place.
  13. Install coupling pinch bolt and tighten pinch bolt to the proper specification. Refer to SPECIFICATIONS .
  14. Install air cleaner housing. Refer to BODY, AIR CLEANER, INSTALLATION .
  15. Remove steering wheel holder.
  16. Connect battery (-) negative cable to battery negative post.
    CAUTION:

    Mopar® Power Steering Fluid + 4 or Mopar® ATF+4 Automatic Transmission Fluid is to be used in the power steering system. Both Fluids have the same material standard specifications (MS-9602). No other power steering or automatic transmission fluid is to be used in the system. Damage may result to the power steering pump and system if another fluid is used. Do not overfill the system.

  17. Fill and bleed power steering system. Refer to STANDARD PROCEDURE .
  18. Check for leaks at all hose connections.
  19. Check wheel alignment and adjust toe as necessary. Refer to WHEEL ALIGNMENT .