LEMON Manuals: Even more car manuals for everyone: 1960-2025
Home >> Dodge and Ram >> 2017 >> Viper GTC >> Repair and Diagnosis >> Restraints >> Restraints Control Systems >> (Occupant Classification Module (OCM) - Electrical Diagnostics) >> DTC Troubleshooting >> B1B9D-00-Passenger Bladder Fluid Level Low >> Notes
April 5, 2026: LEMON Manuals is launched! Read the announcement.

B1B9D-00-Passenger Bladder Fluid Level Low: Notes

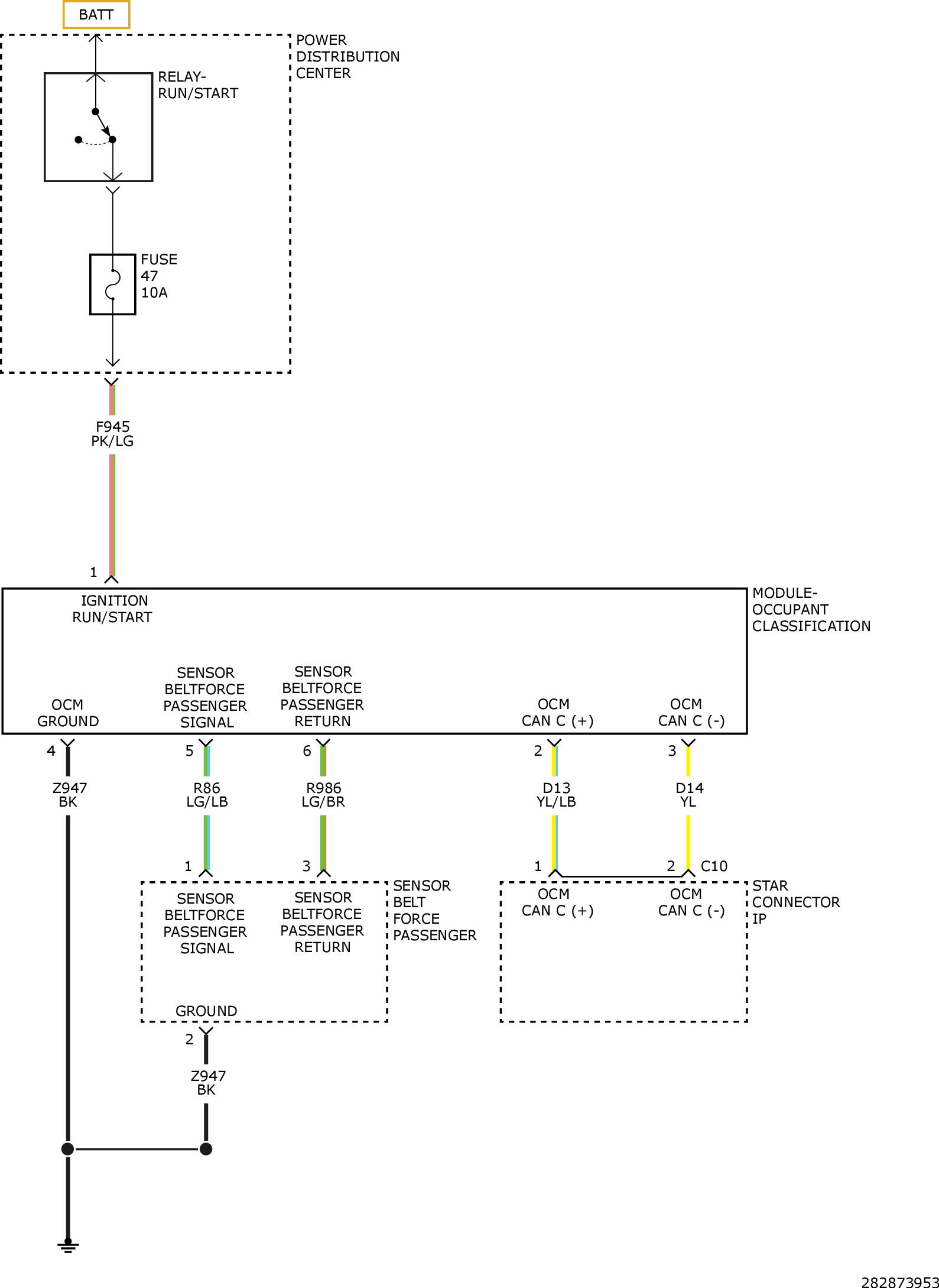
For a complete wiring diagram, refer to appropriate SYSTEM WIRING DIAGRAMS article  .

GC0157065Courtesy of CHRYSLER GROUP, LLC