LEMON Manuals: Even more car manuals for everyone: 1960-2025
Home >> Dodge and Ram >> 2021 >> Durango SXT Plus, AWD >> Repair and Diagnosis >> General Information >> OEM General Information >> Circuit Testing Procedures - Non-DTC-Based Diagnostics >> Standard Procedure >> Check The Resistance Of A Circuit Using An Ohmmeter >> Theory Of Operation
April 5, 2026: LEMON Manuals is launched! Read the announcement.

Theory Of Operation

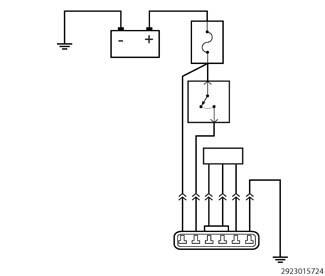
GC0157765Courtesy of CHRYSLER GROUP, LLC

The purpose of the following procedure is to demonstrate how to check the resistance of a circuit with an ohmmeter.

NOTE:

The circuit shown is an example, and is intended for demonstrational purpose only.

The following are circuit tests covered in this procedure:

NOTE:

Perform the following test using a known good multimeter.

Below is a list of possible causes that could be related to an Open Circuit condition.

Possible Causes
OPEN CIRCUIT (CHAFED, PIERCED, PINCHED OR BROKEN WIRES)
OPEN IN-LINE CONNECTOR (BENT, PUSHED OUT OR CORRODED TERMINALS)