LEMON Manuals: Even more car manuals for everyone: 1960-2025
Home >> Dodge and Ram >> 2021 >> ProMaster 2500 >> Repair and Diagnosis (Single Page) >> Accessories & Equipment >> Communication Devices >> (Body Control Module (BCM) - Electrical Diagnostics) >> DTC Troubleshooting >> B11B3-14-Rear Side Marker Front And Rear Clearance Light Identification Lamp Relay - Circuit Short To Ground Or Open >> Notes
April 5, 2026: LEMON Manuals is launched! Read the announcement.

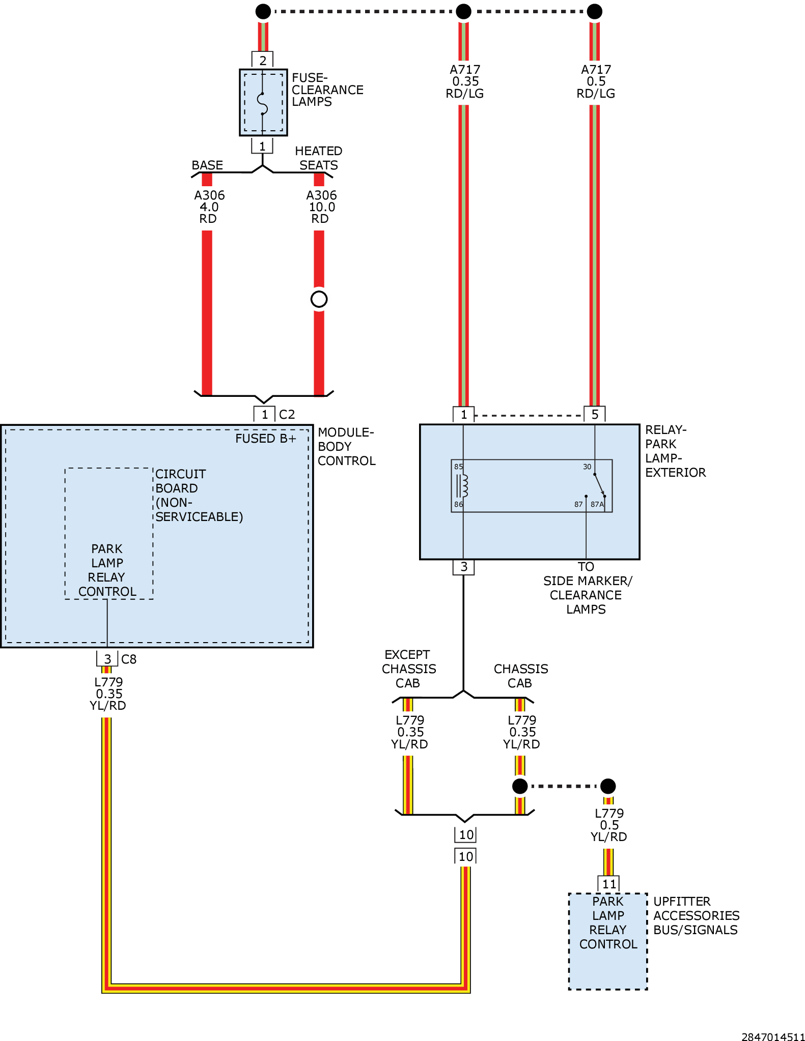
B11B3-14-Rear Side Marker Front And Rear Clearance Light Identification Lamp Relay - Circuit Short To Ground Or Open: Notes

For a complete wiring diagram, refer to appropriate SYSTEM WIRING DIAGRAMS article  .

GC0161461Courtesy of CHRYSLER GROUP, LLC