LEMON Manuals: Even more car manuals for everyone: 1960-2025
Home >> Dodge and Ram >> 2021 >> ProMaster 2500 >> Repair and Diagnosis >> Transmission >> Automatic Trans >> Cooling System >> Engine >> Radiator, Engine Cooling >> Installation
April 5, 2026: LEMON Manuals is launched! Read the announcement.

Radiator, Engine Cooling: Installation

NOTE:

Be sure the air seal is in position before radiator is installed.  Slide radiator down into position. Seat the radiator with the rubber isolators into the mounting holes provided, with a 10 lbs. force.

GC0160520Courtesy of CHRYSLER GROUP, LLC
  1. Position the radiator (3) into the lower supports.
  2. If equipped, engage the tabs that secure the transmission cooler to the radiator.
  3. Install the upper radiator mounts (1). Tighten the bolts (2) to the proper torque specification. Refer to TECHNICAL SPECIFICATIONS .
  4. If equipped, position the air conditioning condenser onto the radiator lower mounts and engage the upper mounting tabs.
  5. Install the cooling fans. Refer to FAN, COOLING, INSTALLATION .
  6. Install the lower radiator hose.
    GC0160574Courtesy of CHRYSLER GROUP, LLC
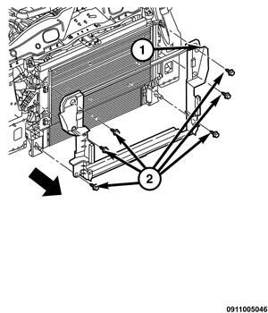
  7. Install the air deflector (1) and tighten the bolts (2) to 5 N. m (44 in. lbs.).
    GC0160276Courtesy of CHRYSLER GROUP, LLC
  8. If removed, install the power steering cooler (1) and securely tighten the fasteners.
  9. Install the radiator upper crossmember support. Refer to CROSSMEMBER, RADIATOR, INSTALLATION .
  10. Install the pressurized coolant bottle. Refer to BOTTLE, PRESSURIZED COOLANT, INSTALLATION .
    GC0160611Courtesy of CHRYSLER GROUP, LLC
  11. Install the front bumper center grill support frame (1) and tighten the bolts to 8 N. m (71 in. lbs.).
    GC0160580Courtesy of CHRYSLER GROUP, LLC
  12. Install the front bumper center grill (2) and tighten the bolts (1) to 8 N. m (71 in. lbs.).
  13. Fill the cooling system. Refer to STANDARD PROCEDURE .
  14. Connect the negative battery cable.