LEMON Manuals: Even more car manuals for everyone: 1960-2025
Home >> Dodge and Ram >> 2025 >> Durango R/T Plus >> Repair and Diagnosis (Single Page) >> Accessories & Equipment >> Drivers Assistance Systems - ADAS >> Electronic Control Modules (Service Information) >> Module, Comfort Seat And Wheel (CSWM) >> Description
April 5, 2026: LEMON Manuals is launched! Read the announcement.

Module, Comfort Seat And Wheel (CSWM): Description

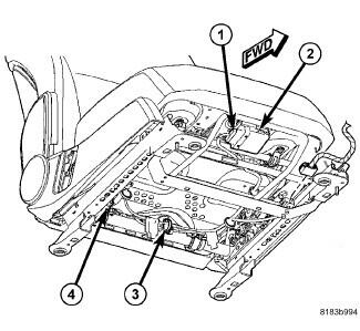
GC0210012Courtesy of CHRYSLER GROUP, LLC

The Comfort Seat and Wheel Module (CSWM) (also known as the Heated Seat Module) is located under the passenger front seat. It has a single electrical connector (1) and a push pin style retainer that secures it to the seat pan (4). The module can be accessed from under the passenger seat with the seat in the full back and up position.

The CSWM is a CAN-IHS bus microcontroller providing outputs to the power seats, heated seat pads, heated steering wheel, and ventilating up to two seats. The CSWM receives commands over the CAN IHS BUS from the BCM. The seat thermistor is hardwired to the CSWM.

Heated Seats -  The CSWM uses a Pulse Width Modulation (PWM) to provide power to the seat cushion and back heating elements. The temperature sensor thermistor is located in the seat cushion. The thermistor sensor feedbacks from each seat heating element to the CSWM to regulate the heater outputs to prevent any seat temperature to rise above set points. Seat heating has two selectable heat settings which are HI and LO. Depending on thermistor reading, the CSWM will start the heater output by adjusting the PWM heat level according to the calibration table.

Vented Seats -  The CSWM vents the two front seats by providing variable analog voltages driving the external blowers in the seats. The seat venting has two selectable speeds for the fans. For seat venting, each press of the switch button will cause the seat to change venting modes. The CSWM will turn on the vented seats only with the engine running.

Heated Steering Wheel -  The CSWM provides power to the steering wheel heating element. The heated steering wheel is standard when the vehicle is equipped with front heated seats. During normal operation, the CSWM will switch on the power for the heated wheel only if the engine is running. The heated steering wheel temperature sensor is hardwired to the EVIC (switch) which sends that information over a LIN Bus through the clockspring/SCCM to the BCM. The thermistor sensor feedbacks from the steering wheel heating element via the CAN Internal High Speed (IHS) bus to the CSWM regulating the heater output to prevent the wheel temperature to rise above the maximum threshold temperature set point.