LEMON Manuals: Even more car manuals for everyone: 1960-2025
Home >> Eagle >> 1989 >> Premier ES >> Repair and Diagnosis (Single Page) >> Accessories & Equipment >> Cruise Control Systems >> Testing >> Cruise Control Module Resistance Test
April 5, 2026: LEMON Manuals is launched! Read the announcement.

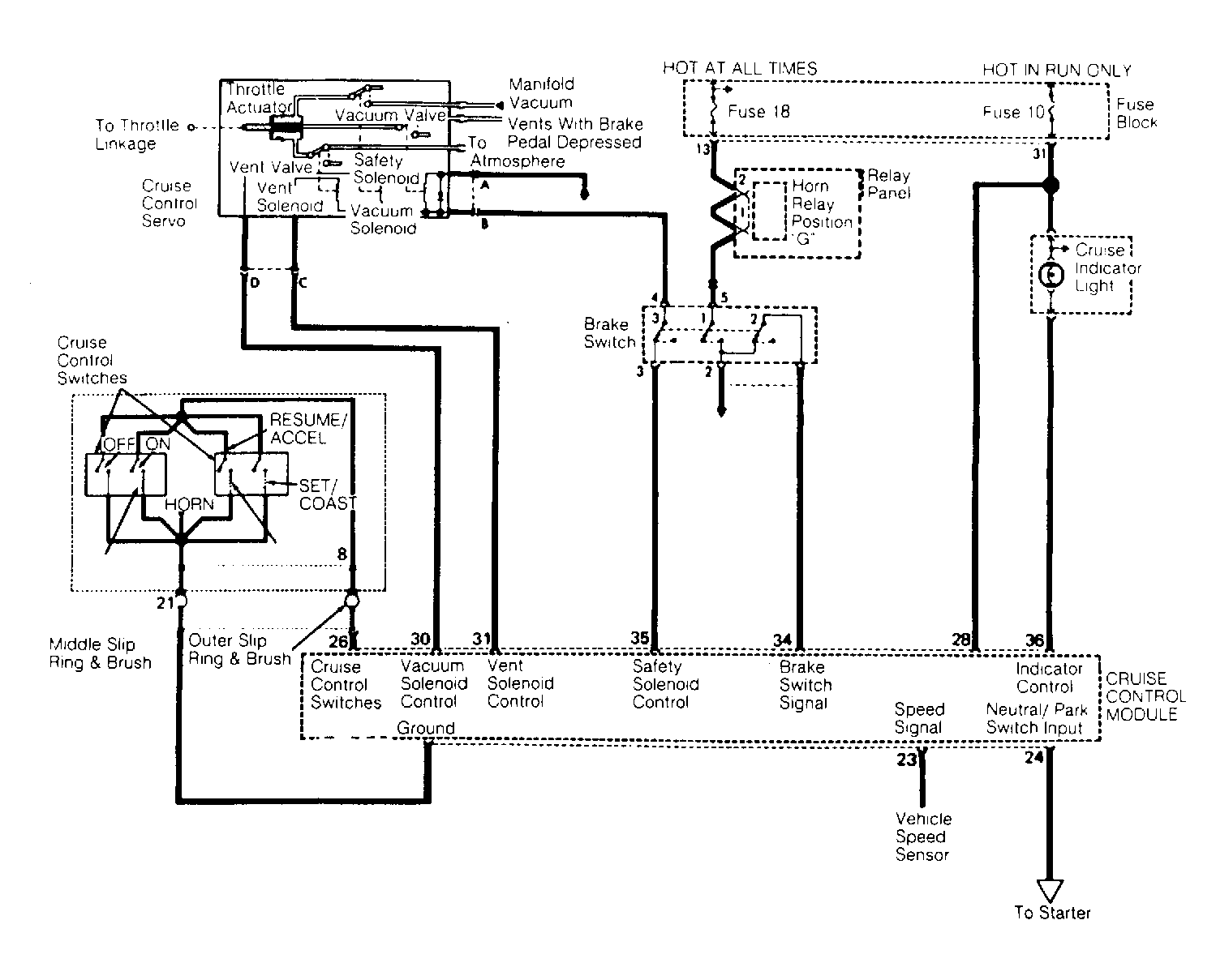
Cruise Control Module Resistance Test

  1. Disconnect negative battery terminal. Disconnect cruise control module connector. Connect ohmmeter between cruise control module connector terminal No. 21 and ground. Continuity should be present. If not, check ground connector for an open circuit.
  2. Measure resistance between brake switch connector terminal No. 2 and cruise control module connector terminal No. 34. Continuity should be present. If not, adjust or replace brake switch.
  3. Measure resistance between brake switch connector terminal No. 2 and cruise control module connector terminal No. 34. With brake pedal depressed, ohmmeter should read infinity. If not, check wires between terminals No. 2 and 34, and brake switch for short.
  4. Measure resistance between brake switch connector terminal No. 4 and cruise control module connector terminal No. 35. Continuity should be present. If not, adjust or replace brake switch.
  5. Measure resistance between brake switch connector terminal No. 4 and cruise control module connector terminal No. 35. With brake pedal depressed, ohmmeter should read infinity. If not, check wires between terminals No. 4 and 35 and brake switch for short.
  6. Measure resistance between speed sensor module connector terminal No. 1 and cruise control module connector terminal No. 23. Continuity should be present. If not, check for open circuit.
  7. Measure resistance between cruise control module connector terminals No. 21 and 26. Turn steering wheel slowly while measuring. Circuit should be open in all wheel positions. If not, check circuit between terminals No. 21 and 26, steering wheel outer and middle slip rings, and brushes for open circuit. If all are okay, replace cruise control switches.
  8. Measure resistance between terminals No. 21 and 26 with cruise control "OFF" switch depressed. Turn steering wheel slowly while measuring. Continuity should be present. If not, check circuit for short. If all are okay, replace cruise control switch.
  9. Measure resistance between terminals No. 21 and 26 with cruise control "ON" switch depressed. Resistance should be 680 ohms. If not, replace cruise control switch.
  10. Measure resistance between terminals No. 21 and 26 with cruise control "RESUME/ACCEL" switch depressed. Resistance should be 5600 ohms. If not, replace cruise control switch.
  11. Measure resistance between terminals No. 21 and 26 with cruise control "SET/COAST" depressed. Resistance should be 2000 ohms. If not, replace cruise control switch.
  12. Check continuity of wires and brake switch from cruise control module connector to servo connector. Continuity should be present. If not, replace or repair wires or brake switch. If wires and brake switch are okay, replace servo with a known good one. If cruise control still does not operate, replace cruise control module.
Fig 1: Premier Cruise Control System
G108744Courtesy of CHRYSLER MOTORS