LEMON Manuals: Even more car manuals for everyone: 1960-2025
Home >> Eagle >> 1989 >> Premier ES >> Repair and Diagnosis >> Engine Performance >> System >> 2.5L Systems/Tests W/Codes >> Diagnostic Trouble Codes (DTC) >> Fault 1017 - High Mat Sensor Line
April 5, 2026: LEMON Manuals is launched! Read the announcement.

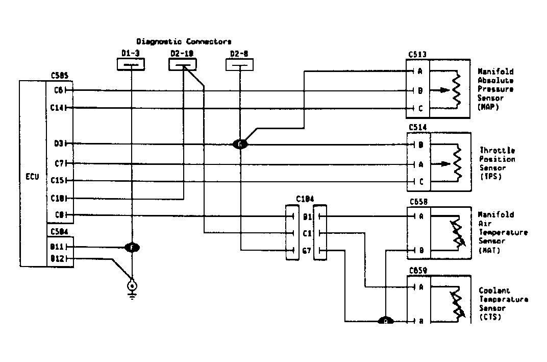
Fault 1017 - High Mat Sensor Line

Fig 1: Fault 1017 (1 of 3) - MAT Sensor Schematic
G108152
Fig 2: Fault 1017 (2 of 3) - MAT Sensor Line High Flow Chart
G108153
Fig 3: Fault 1017 (3 of 3) - MAT Sensor Line High Flow Chart
G108154