LEMON Manuals: Even more car manuals for everyone: 1960-2025
Home >> Eagle >> 1997 >> Vision V6-3.5L VIN F >> Repair and Diagnosis >> Powertrain Management >> Computers and Control Systems >> Relays and Modules - Computers and Control Systems >> Body Control Module >> Diagrams >> Electrical Diagrams >> Wiring Diagrams
April 5, 2026: LEMON Manuals is launched! Read the announcement.

Wiring Diagrams

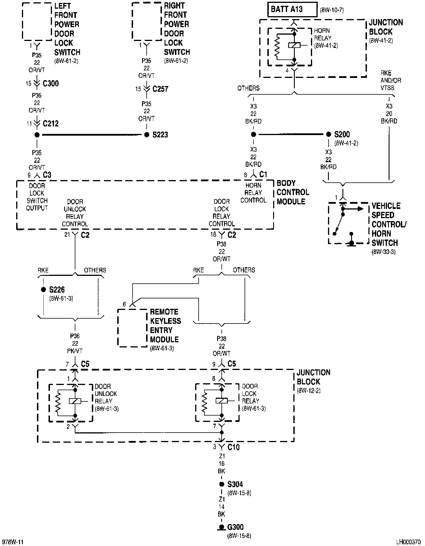
Body Control Module (Part 1 Of 11):




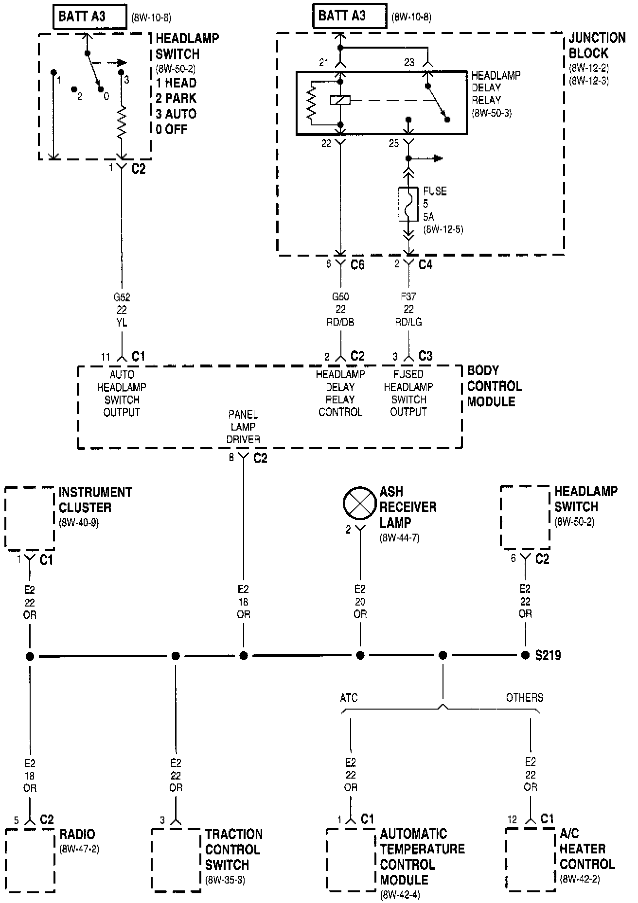
Body Control Module (Part 2 Of 11):




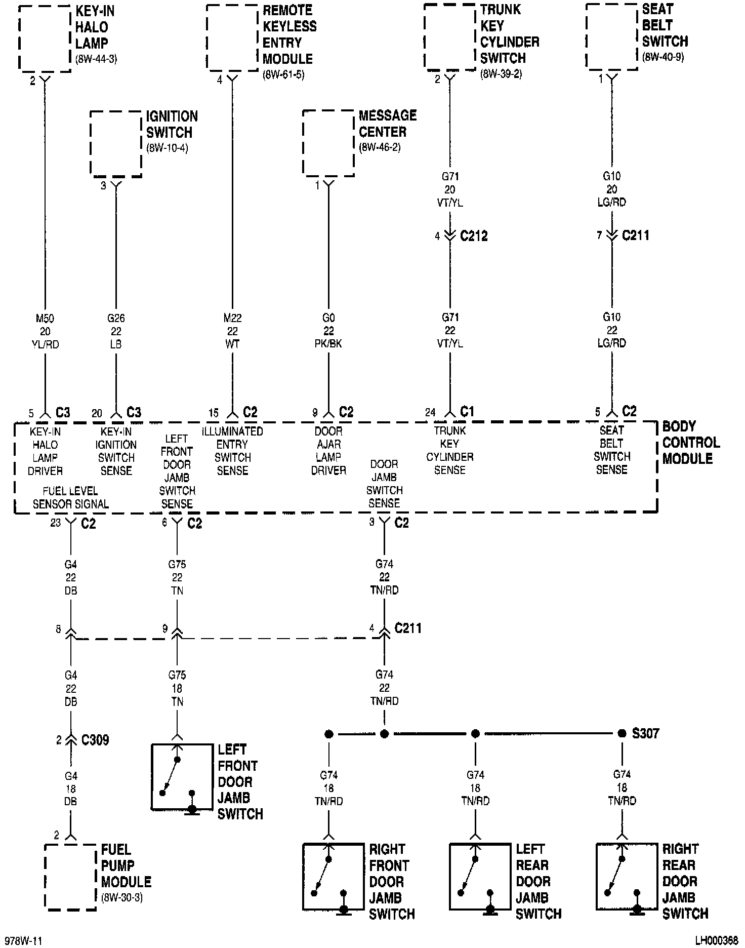
Body Control Module (Part 3 Of 11):




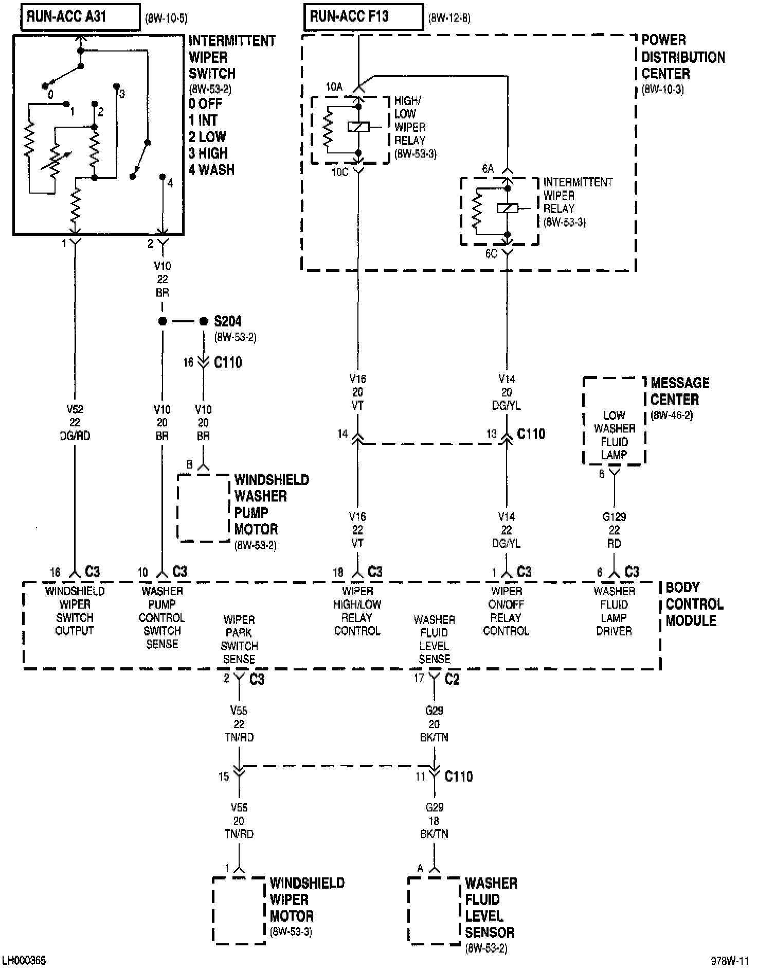
Body Control Module (Part 4 Of 11):




Body Control Module (Part 5 Of 11):




Body Control Module (Part 6 Of 11):




Body Control Module (Part 7 Of 11):




Body Control Module (Part 8 Of 11):




Body Control Module (Part 9 Of 11):




Body Control Module (Part 10 Of 11):




Body Control Module (Part 11 Of 11):







NOTE: To view sheets referred in these diagrams, see Diagram Information and Instructions/Complete Body and Chassis Diagrams.