LEMON Manuals: Even more car manuals for everyone: 1960-2025
Home >> Ford >> 1976 >> Thunderbird >> Repair and Diagnosis >> Electrical >> Body Electrical >> Cruise Control >> Testing >> Servo Assembly
April 5, 2026: LEMON Manuals is launched! Read the announcement.

Servo Assembly

  1. Disconnect ball chain from throttle linkage. Separate servo to amplifier connection, then connect an ohmmeter between the orange and grey wire leads at servo connector. A resistance of approximately 85 ohms should be obtained. Connect ohmmeter between orange and white wire leads. A resistance of approximately 85 ohms should be obtained. Start engine, with servo disconnected from amplifier, connect orange lead of servo to battery positive terminal. Connect white lead of servo to ground, and momentarily touch grey lead of servo to ground. Servo throttle actuator should tighten bead chain and open throttle. Throttle should hold in that position or slowly release tension on chain.
  2. When white wire is removed from ground, servo should release bead chain tension immediately. Replace servo if it fails any of the above tests.
    CAUTION: If orange lead is shorted to either white or grey leads, it may be necessary to replace the amplifier.
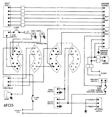
Fig 1: FORD MOTOR CO. SPEED CONTROL WIRING (EXC. GRANADA, MONARCH, THUNDERBIRD, LINCOLN & MARK IV)
G09321450Courtesy of FORD MOTOR CO.
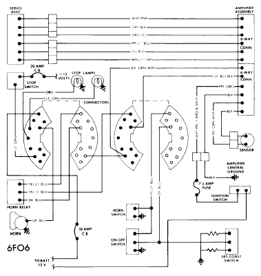
Fig 2: FORD MOTOR CO. SPEED CONTROL WIRING (THUNDERBIRD, LINCOLN & MARK IV)
G09321451Courtesy of FORD MOTOR CO.
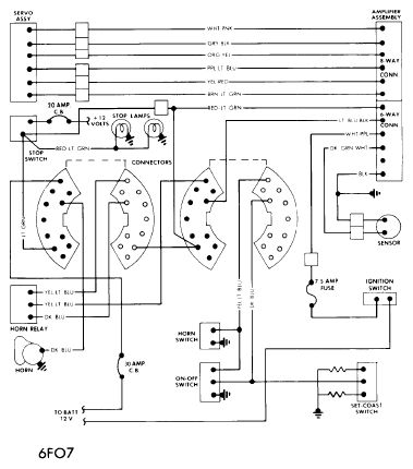
Fig 3: FORD MOTOR CO. SPEED CONTROL WIRING (GRANADA & MONARCH)
G09321452Courtesy of FORD MOTOR CO.
Fig 4: SPEED CONTROL SENSOR & SERVO (FORD & MERCURY)
G09321453Courtesy of FORD MOTOR CO.