LEMON Manuals: Even more car manuals for everyone: 1960-2025
Home >> Ford >> 1982 >> E 100 Van V8-351 5.8L >> Repair and Diagnosis >> Powertrain Management >> Ignition System >> Distributor >> Service and Repair
April 5, 2026: LEMON Manuals is launched! Read the announcement.

Distributor: Service and Repair

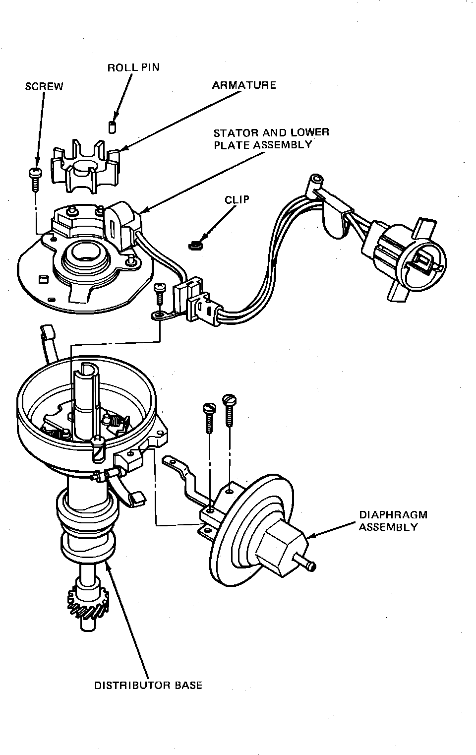
Distributor - Exploded view:






REMOVAL

On some models, it may be necessary to position thermactor air pump aside to gain access to distributor. It may also be necessary to disconnect the thermactor air filter.
1. Disconnect distributor electrical connector from engine wiring harness.
2. Disconnect vacuum advance hose, then remove distributor cap and position aside.
3. Remove rotor and adapter, then reinstall rotor.
4. Mark position of distributor in engine and position of rotor on distributor housing for installation reference.
5. Remove distributor hold-down bolt and clamp, then lift distributor out of engine. Do not crank engine after distributor has been removed.

INSTALLATION

1. If engine was not cranked after distributor was removed, proceed as follows:
a. Position distributor in engine, aligning housing to block marks and rotor to housing marks made during removal.
b. Install distributor hold-down bolt and clamp. Do not tighten at this time.
c. Install distributor cap and wire, then connect distributor electrical connector to engine wiring harness and attach vacuum advance hose.
d. Adjust ignition timing to specifications.
2. If engine was cranked after distributor was removed, proceed as follows:
a. Remove No. 1 spark plug and crank engine until compression pressure is felt in No. 1 cylinder. Slowly rotate engine until correct initial timing mark on crankshaft damper aligns with timing pointer.
b. Position distributor in engine with rotor at number one firing position and armature tooth aligned with starter . Ensure oil pump intermediate shaft properly engages the distributor shaft. It may be necessary to crank engine with starter after distributor drive gear is partially engaged in order to engage the oil pump intermediate shaft.
c. Install distributor hold down bolt and clamp. Do not tighten at this time.
d. Install distributor cap and wires, then connect distributor electrical connector to engine wiring harness and attach vacuum advance hose.
3. Adjust ignition timing to specifications. Due to higher ignition system voltage, a timing light specifically designed for this system should be used when checking ignition timing. If a timing light designed for this system is not available, an inductive pickup type timing light may operate satisfactorily in a piece of split vacuum hose is first placed around the spark plug wire.

NOTE: Refer to ADJUSTMENTS for rotor alignment.