LEMON Manuals: Even more car manuals for everyone: 1960-2025
Home >> Ford >> 1982 >> EXP L4-098 1.6L VIN 2 2-bbl >> Repair and Diagnosis >> Specifications >> Mechanical Specifications >> Engine >> System Specifications >> Intake Manifold
April 5, 2026: LEMON Manuals is launched! Read the announcement.

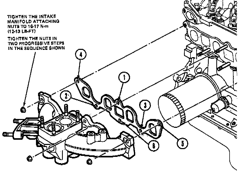
Intake Manifold

Intake Manifold Torque Sequence: