LEMON Manuals: Even more car manuals for everyone: 1960-2025
Home >> Ford >> 1982 >> EXP L4-098 1.6L VIN 4 2-bbl >> Repair and Diagnosis >> Diagrams >> Exploded Views >> Suspension
April 5, 2026: LEMON Manuals is launched! Read the announcement.

Suspension

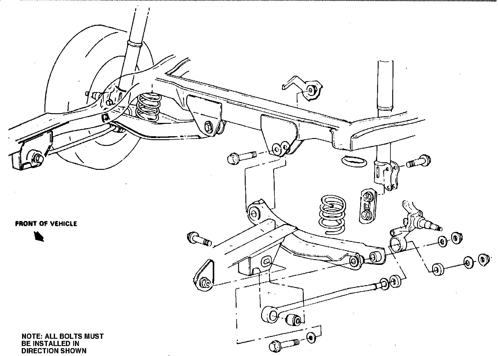
Fig. 1 Rear suspension, exploded view.: